86-021-54422420 13818829143
86-021-54422402 17701898099
All products
联轴器 Coupling
传动轮 Pulley
胀套 Lock
丝杆导轨 ScrewGuide
离合制动器 Clutch
传动器 Actuators
皮带 Belt
电机 Motor
轴承 Bearing

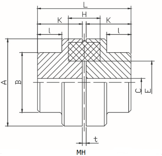
MH联轴器,是迈动工业常出口的产品之一,属于柱销联体联轴器联轴器,一般按订单现做,常为台湾,日体东南亚区使用,优性特点:物美人价实,结构简单,铸造加工方便。
=
| MH系列 迈动梅花弹性联轴器 | ||||||||||||
| 编号 | 适用力距 | 最高转数 | 轴孔径 | 鼓径 | 外径 | L | K | H | I | E | 重量 | |
| 最小 | 最大 | |||||||||||
| MH45 | 25 | 6000 | 5 | 14 | 25 | 45 | 49 | 23 | 15 | 13 | 20 | 0.3 |
| MH55 | 28 | 6000 | 9 | 20 | 38 | 55 | 57 | 27 | 17 | 15 | 26 | 0.6 |
| MH65 | 45 | 6000 | 12 | 25 | 45 | 65 | 63 | 30 | 19 | 16 | 33 | 0.9 |
| MH80 | 52 | 5500 | 16 | 30 | 52 | 80 | 73 | 35 | 23 | 18 | 41 | 1.5 |
| MH90 | 62 | 5000 | 20 | 35 | 62 | 90 | 83 | 40 | 25 | 21 | 46 | 2.2 |
| MH115 | 80 | 4600 | 25 | 45 | 80 | 115 | 113 | 55 | 33 | 29 | 58 | 5 |
| MH130 | 90 | 4400 | 27 | 50 | 90 | 130 | 123 | 60 | 37 | 32 | 65 | 7 |
| MH145 | 100 | 4200 | 30 | 55 | 100 | 145 | 133 | 65 | 39 | 35 | 72 | 9.2 |
| MH175 | 115 | 3800 | 35 | 65 | 115 | 175 | 163 | 80 | 47 | 43 | 84 | 16.1 |
| MH200 | 130 | 3600 | 50 | 80 | 130 | 200 | 223 | 110 | 53 | 69 | 92 | 35.5 |
| 订货书写示范:NM50-YA?5/J1A?14;MH45-YA?5/J1A?14 关于Y,J,J1,Z型孔,A型键槽等,请见P4页 | ||||||||||||

公司名称:上海迈动机电设备有限公司
公司地址:上海青浦工业区崧海路98号
邮政编码:201703
公司电话:021-54422420
公司传真:021-54422420-801
邮箱:shmidon@126.com
户名:上海迈动机电设备有限公司
税号:310112660703692
开户行:工行上海莘庄支行
账号:1001140209007024765
电话:021-54422420 54422402
传真:021-54422420-801
地址:上海莘庄工业园区申富路128号(开票)
地址:上海青浦工业园区崧海路98号(收货地址)
上海迈动机电设备有限公司提供17%的增值税发票;
品质100%保证,让你更放心使用。
ADD:上海迈动机电设备有限公司 备案号:沪ICP备15037005
TEL:86-021-54422420,021-544227902 ,021-54422402 MB:13818829143,17701898099