All products
联轴器 Coupling
传动轮 Pulley
胀套 Lock
丝杆导轨 ScrewGuide
离合制动器 Clutch
传动器 Actuators
皮带 Belt
电机 Motor
轴承 Bearing

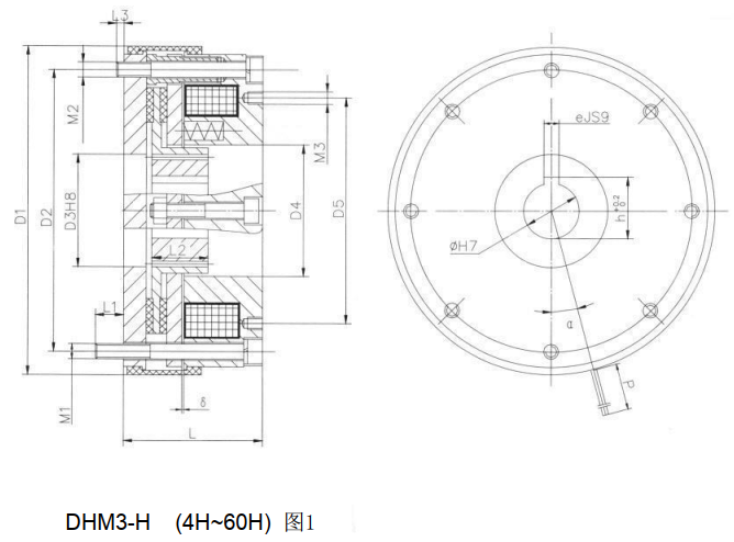
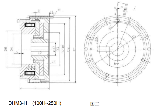
DHM3 H重载失电制动器,DHM3 大扭力制动器,DHM3-4H DHM3-8H DHM3-15H DHM3-30H DHM3-30H DHM3-60H DHM3-100H DHM3-160H DHM3-250H-- 迈动工业失电制动器
主要特性:DHM3-H型电磁失电制动器防护等级为IP65,DHM3-4N、8N、15N、30N制动器防护等级为IP54,DHM3-1.5N、30N制动器为用螺钉手动释放结构,DHM3-4N、8N、15N制动器为用手柄释放结构且手柄具有自锁功能。
㈡、主要用途:DHM3-H型电磁失电制动器广泛用于机床、冶金、化工、建筑、包装等机械传动系统中,起定位、断电保护作用,具有动作灵敏、制动速度快的特点。
㈢、制动器在下列条件下能可靠工作:
1、制动器安装地点海拔不超过2000m;
2、周围环境温度-5℃—+40℃;
3、周围介质中无爆炸危险,且无足以腐蚀金属和破坏绝缘的气体及导电尘埃;
4、制动器线圈电压波动不超过+5%和―15%额定电压;
5、在干式条件下工作。
㈣、安装:
1、安装时制动器必须清洗干净,摩擦面和制动器内部不得有油污和尘埃;
2、齿轮套不允许有轴向窜动。



DHM3 H 失电制动器外形尺寸:

公司名称:上海迈动机电设备有限公司
公司地址:上海青浦工业区崧海路98号
邮政编码:201703
公司电话:021-54422420
公司传真:021-54422420-801
邮箱:shmidon@126.com
户名:上海迈动机电设备有限公司
税号:310112660703692
开户行:工行上海莘庄支行
账号:1001140209007024765
电话:021-54422420 54422402
传真:021-54422420-801
地址:上海莘庄工业园区申富路128号(开票)
地址:上海青浦工业园区崧海路98号(收货地址)
上海迈动机电设备有限公司提供17%的增值税发票;
品质100%保证,让你更放心使用。
ADD:上海迈动机电设备有限公司 备案号:沪ICP备15037005
TEL:86-021-54422420,021-544227902 ,021-54422402 MB:13818829143,17701898099