86-021-54422420 13818829143
86-021-54422402 17701898099
All products
联轴器 Coupling
传动轮 Pulley
胀套 Lock
丝杆导轨 ScrewGuide
离合制动器 Clutch
传动器 Actuators
皮带 Belt
电机 Motor
轴承 Bearing

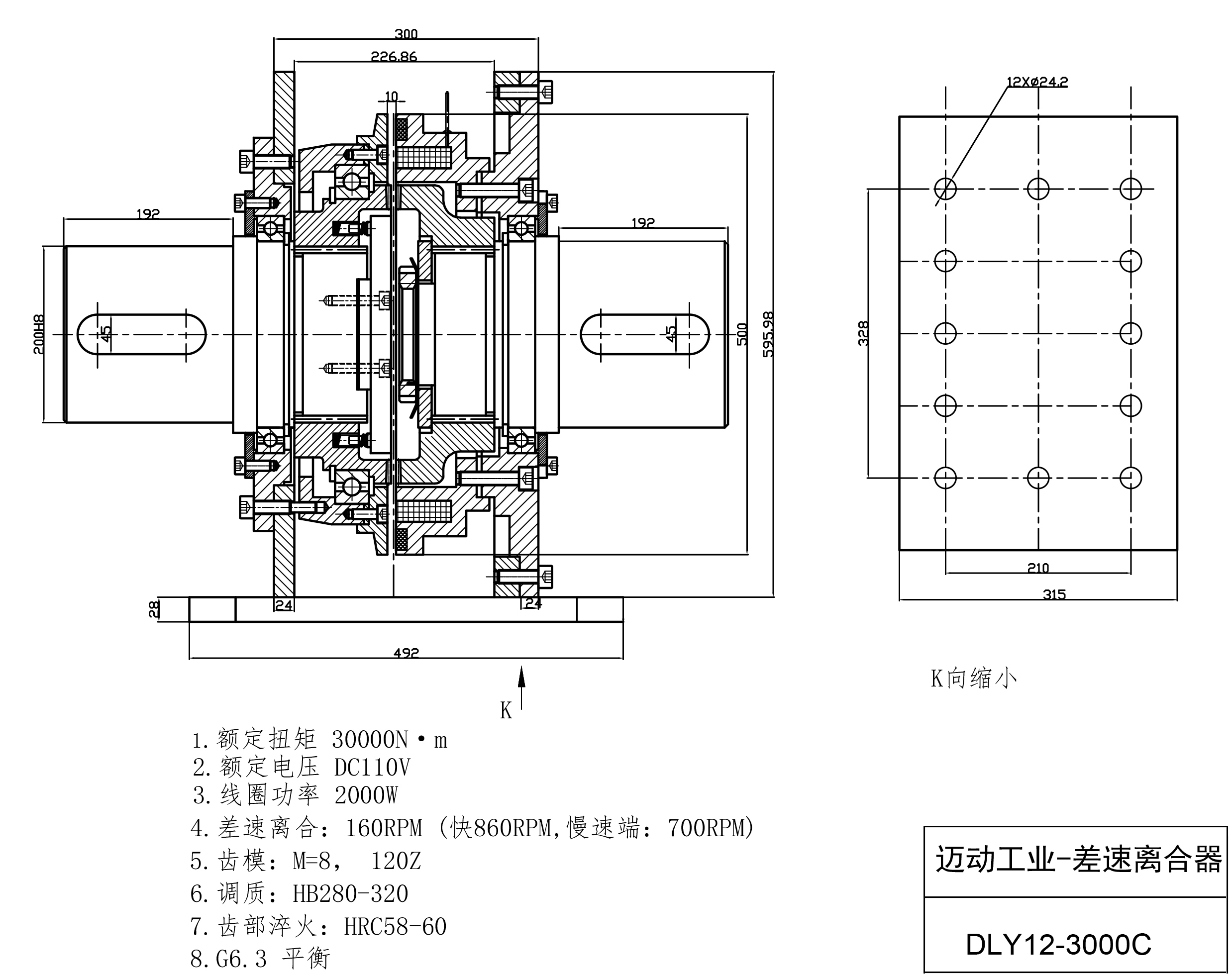
DLY12-3000C差速离合器 迈动工业得电离合器,得电吸合,失电分离,斜齿内合,高速离合器 吸合分离
DLY12-3000C离合器特性优点:
1. 高效传动能力
DLY12型离合器采用高摩擦系数材料(如烧结金属或陶瓷复合材质),在有限体积内实现更大的扭矩传递能力,尤其适合重载工况。
其压盘弹簧系统经过强化设计,确保动力传递时摩擦片紧密贴合,减少打滑损失。
2. 精准的半联动控制
此类离合器对**接触点(结合点)的响应极为灵敏,允许驾驶员通过踏板行程精确控制动力传递比例。例如,在起步或低速爬坡时,
可通过半联动状态平衡发动机输出与负载阻力,避免熄火或冲击。
3. 耐高温与耐磨设计
针对工程机械频繁启停和重载需求,DLY12型离合器通常配备**强制冷却结构(如通风槽或散热鳍片),并采用耐高温摩擦衬片,
有效延缓热衰退现象,延长使用寿命。
4. 适应性广泛
适用于多种动力平台(如柴油机、电动机),且能适配不同变速箱接口(SAE标准或定制法兰),常见于:农用拖拉机、联合收割机
,小型挖掘机、装载机,重型运输车辆

公司名称:上海迈动机电设备有限公司
公司地址:上海青浦工业区崧海路98号
邮政编码:201703
公司电话:021-54422420
公司传真:021-54422420-801
邮箱:shmidon@126.com
户名:上海迈动机电设备有限公司
税号:310112660703692
开户行:工行上海莘庄支行
账号:1001140209007024765
电话:021-54422420 54422402
传真:021-54422420-801
地址:上海莘庄工业园区申富路128号(开票)
地址:上海青浦工业园区崧海路98号(收货地址)
上海迈动机电设备有限公司提供17%的增值税发票;
品质100%保证,让你更放心使用。
ADD:上海迈动机电设备有限公司 备案号:沪ICP备15037005
TEL:86-021-54422420,021-544227902 ,021-54422402 MB:13818829143,17701898099