
迈动工业--牙嵌式电磁离合器为牙嵌式有滑环定位电磁离合器。主要用于机械传动系统中,可在主动部分运转的情况下,使其主动部分与从动部分在一定的位置结合,增加了传递精度,从而达到定位和传递扭矩等目的。广泛用于金属加工机械,冶金轧钢机械,包装机械,医疗机械,食品加工机械,纺织印染机械,造纸机械,精密机床等行业,实现离合、换向、变速、制动、定位等功能。
另DLY3-1A 10N.M DLY3-8A 产品在网页查找栏中输入形号可以查看到
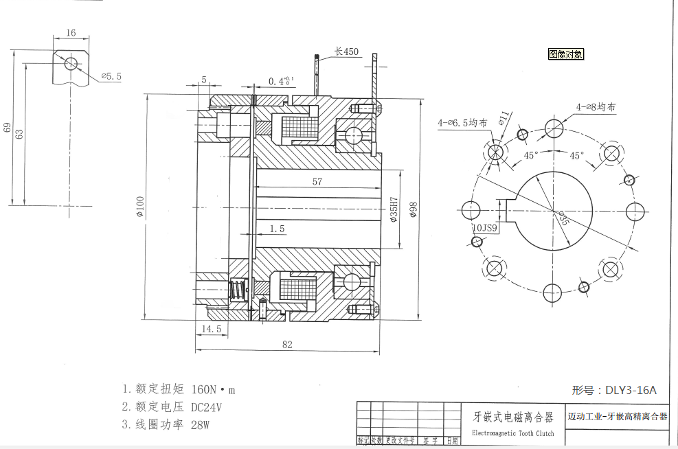
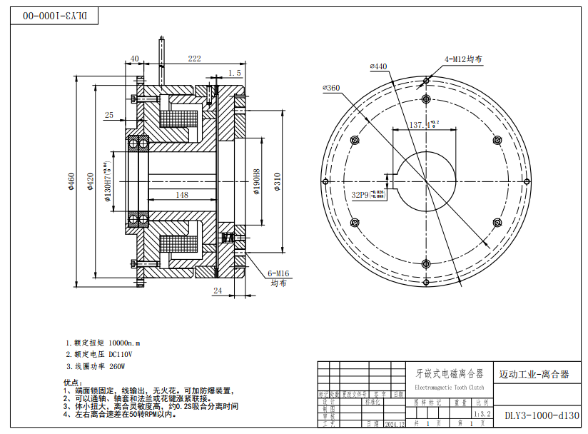
DLY3-16A 160N.M DLY3-1000A牙嵌离合器见底部。

| 规 格 Model | 额定传递力矩 Rated Transmitting Torque (N.m) | 额定电压 Rated Voltage D.C(V) | 线圈消耗功率(20℃) Coil power(20℃) W | 允许最高吸合转速 Max Engagement Speed r/min | 允许最高转速 Max Allowed Speed(r/min) | |
| DLY3-1A | 15 | 24 | 13 | 50 | 5500 | |
| DLY3-2A | 20 | 24 | 13 | 50 | 5000 | |
| DLY3-5A | 50 | 24 | 24 | 50 | 4500 | |
| DLY3-8A | 80 | 24 | 25 | 50 | 4000 | |
| DLY3-16A | 160 | 24 | 32 | 50 | 3500 | |
| DLY3-25A | 250 | 24 | 38 | 20 | 3300 | |
| DLY3-41A | 410 | 24 | 64 | 15 | 3000 | |
| DLY3-63A | 630 | 24 | 60 | 15 | 2500 | |
| DLY3-100A | 1000 | 24 | 80 | 15 | 2200 | |
| DLY3-200A | 2200 | 24 | 110 | 15 | 1800 | |
| DLY3-1000A | 10000 | 110 | 260 | 15 | 1500 | |
| 规格 Model | 径向尺寸Radial Dimensions | 轴向尺寸Axial Dimensions | ||||||||||||||||||
| 从外径 D1 | 装心圆径 D2 | 磁套内径D3 | 隔套内径D4 | 轴承内径D5 | 离毂台径 D6 | 主外径D7 | 弹孔径 φ1 | 装孔径 φ2 | 内孔径φ | 孔键高 h | 键宽 e | 总长 L | 主套长L1 | 定位深L2 | 定位宽L3 | 定位角 a | 间隙 δ | |||
| DLY3-1A | 57 | 36 | 22.5 | 22.5 | 10 | 20 | 57 | 3*φ4 | 3*M4 | 10 | 11.8 | JS93 | 43 | 32 | 5 | 6 | 45° | 0.3±0.05 | ||
| DLY3-5A | 82 | 58 | 42 | 36 | 35 | 75 | 82 | 3-φ4.5 | 3-φ10 | 20 | 22.80+0.1 | 6JS9 | 55 | 42 | 6 | 8 | 45° | 0.3±0.05 | ||
| DLY3-8A | 87.2 | 60 | 58 | 45 | 35 | 58 | 82.2 | 4*φ10 | 2*φ6.6 | 20 | 22.8 | 6 JS9 | 51 | 30 | 5 | 15 | 0° | 0.4±0.1 | ||
| DLY3-16A | 100 | 73 | 58 | 47 | 50 | 98 | 100 | 4*φ11 | 4*φ5 | 25 | 28.3 | 8JS9 | 82 | 57 | 2 | 16 | 0° | 0.3±0.05 | ||
| DLY3-25A | 115 | 80 | 62 | 55 | 55 | 105 | 115 | 3-φ6.5 | 3-φ12 | 40 | 43.30+0.2 | 12 | 70 | 50.8 | 5 | 10 | 45° | 0.4±0.1 | ||
| DLY3-41A | 134 | 95 | 72 | 68 | 70 | 127 | 134 | 6-φ8.5 | 6-φ15 | 45 | 48.80+0.2 | 14 | 83 | 61 | 7 | 10 | 45° | 0.4±0.1 | ||
| DLY3-63A | 145 | 95 | 72 | 65 | 65 | 127 | 145 | 3-φ8.5 | 3-φ15 | 40 | 43.30+0.2 | 12 | 85.6 | 64.5 | 5 | 10 | 45° | 0.7±0.1 | ||
| DLY3-100A | 166 | 120 | 90 | 80 | 85 | 152 | 166 | 6-φ8.5 | 6-φ14.5 | 60 | 64.40+0.2 | 18 | 95 | 68 | 10 | 12 | 45° | 0.7±0.1 | ||
| DLY3-200A | 210 | 160 | 130 | 95 | 105 | 190 | 210 | 6-φ10.5 | 6-φ18 | 85 | 90.40+0.2 | 22 | 110 | 80 | 10 | 12 | 45° | 0.4±0.05 | ||
| DLY3-1000A | 420 | 310 | 190 | 178 | 200 | 230 | 460 | 8-φ12 | 8*M16 | 130 | 1374+0.2 | 32 | 262 | 192 | 40 | M10*6 | 0° | 1±0.05 | ||


DLY3-16A 牙嵌离合器,TZ16得电离合器,DLY3--16A 出线离合器,160N.M离合器,类同可代日本神冈TZ16, TZ-16 160N.M


24V 28W 160N.M 出线联接链轮,齿轮,皮带轮,同步轮或其它法兰盘等物体,实现得电合,失电离的工作需要。
它的工作条件
1.周围空气温度为-5℃--+40℃。
2.在无爆炸危险的介质中,且介质中无足以腐蚀金属和破坏绝缘的气体及导电尘埃。 3.离合器需在有润滑油的条件下工作。
4.离合器线圈的电压波动不超过+5%和-15%的额定电压。 5.离合器安装地点的海拔不超过2000米。

公司名称:上海迈动机电设备有限公司
公司地址:上海青浦工业区崧海路98号
邮政编码:201703
公司电话:021-54422420
公司传真:021-54422420-801
邮箱:shmidon@126.com
户名:上海迈动机电设备有限公司
税号:310112660703692
开户行:工行上海莘庄支行
账号:1001140209007024765
电话:021-54422420 54422402
传真:021-54422420-801
地址:上海莘庄工业园区申富路128号(开票)
地址:上海青浦工业园区崧海路98号(收货地址)
上海迈动机电设备有限公司提供17%的增值税发票;
品质100%保证,让你更放心使用。