86-021-54422420 13818829143
86-021-54422402 17701898099


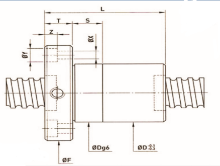
| FSI系列 精密滚珠丝杆 | |||||||||||||||||||
| 型号 | 规格 公称外径 | 导程 | 珠径 | PCD | 根径 | 珠卷数 | 刚性Kgf/um K | 动负荷 | 静负荷 | 螺帽 | 法兰 | 法兰孔 | 接触面长 | ||||||
| D | L | F | T | BCD-E | X | Y | Z | S | |||||||||||
| 8-2.5T3 | 8 | 2.5 | 1.500 | 8.2 | 6.652 | 3 | 8 | 170 | 267 | 16 | 18 | 28 | 35 | 5 | 27 | 4.5 | 0 | 0 | 0 |
| 14-2.54T3 | 14 | 2.54 | 2.000 | 14.2 | 12.136 | 3 | 12 | 339 | 655 | 28 | 30 | 39 | 50 | 10.6 | 40 | 5 | 7 | 5 | 0 |
| 14-4T3 | 14 | 4 | 2.000 | 14.2 | 12.136 | 3 | 12 | 339 | 655 | 24 | 26 | 33 | 48 | 6 | 36 | 5.5 | 9.5 | 5.5 | 0 |
| 16-2T3 | 16 | 2 | 1.500 | 16.2 | 14.652 | 3 | 14 | 252 | 593 | 25 | 27 | 36 | 44 | 10 | 34 | 4.5 | 8 | 4.5 | 0 |
| 16-2.5T4 | 16 | 2.5 | 1.500 | 16.2 | 14.652 | 4 | 19 | 358 | 862 | 25 | 27 | 44 | 44 | 10 | 34 | 4.5 | 8 | 4.5 | 12 |
| 16-5T3 | 16 | 5 | 3.175 | 16.6 | 13.324 | 3 | 11 | 731 | 1331 | 28 | 30 | 46 | 54 | 12 | 41 | 5.5 | 9.5 | 5.5 | 12 |
| 16-5T4 | 16 | 5 | 3.175 | 16.6 | 13.324 | 4 | 12 | 936 | 1775 | 28 | 30 | 52 | 54 | 12 | 41 | 5.5 | 9.5 | 5.5 | 12 |
| 16-96T4 | 16 | 6 | 3.175 | 16.6 | 13.324 | 4 | 21 | 936 | 1775 | 30 | 32 | 58 | 54 | 12 | 42 | 5.5 | 9.5 | 5.5 | 12 |
| 20-2T6 | 20 | 2 | 1.500 | 20.2 | 18.652 | 6 | 32 | 518 | 1551 | 30 | 32 | 52 | 52 | 10 | 40 | 5.5 | 9.5 | 5.5 | 12 |
| 20-2T4 | 20 | 2 | 1.500 | 20.2 | 18.652 | 4 | 36 | 399 | 1112 | 30 | 32 | 40 | 52 | 10 | 40 | 5.5 | 9.5 | 5.5 | 12 |
| 20-2.5T5 | 20 | 2.5 | 2.000 | 20.2 | 18.136 | 5 | 28 | 637 | 1635 | 34 | 36 | 51 | 59 | 12 | 47 | 5.5 | 9.5 | 5.5 | 12 |
| 20-2.54T6 | 20 | 2.54 | 2.000 | 20.2 | 18.136 | 6 | 33 | 745 | 1962 | 34 | 36 | 55 | 59 | 12 | 47 | 5.5 | 9.5 | 5.5 | 12 |
| 20-4T3 | 20 | 4 | 2.381 | 20.25 | 17.792 | 3 | 17 | 509 | 1134 | 34 | 36 | 40 | 59 | 10 | 47 | 5.5 | 9.5 | 5.5 | 12 |
| 20-5T3 | 20 | 5 | 3.175 | 20.6 | 17.324 | 3 | 20 | 852 | 1767 | 32 | 34 | 46 | 57 | 12 | 45 | 5.5 | 9.5 | 5.5 | 12 |
| 20-5T4 | 20 | 5 | 3.175 | 20.6 | 17.324 | 4 | 27 | 1091 | 2356 | 32 | 34 | 53 | 57 | 12 | 45 | 5.5 | 9.5 | 5.5 | 12 |
| 20-6T3 | 20 | 6 | 3.969 | 20.8 | 16.744 | 3 | 20 | 1091 | 2081 | 34 | 36 | 51 | 60 | 12 | 48 | 5.5 | 9.5 | 5.5 | 12 |
| 20-6T4 | 20 | 6 | 3.960 | 20.8 | 16.744 | 4 | 27 | 1398 | 2774 | 34 | 36 | 61 | 60 | 12 | 48 | 5.5 | 9.5 | 5.5 | 12 |
| 20-10T3 | 20 | 10 | 3.969 | 20.8 | 16.744 | 3 | 20 | 1091 | 2080 | 33 | 35 | 64 | 57 | 12 | 45 | 5.5 | 9.5 | 5.5 | 12 |
| 25-2T6 | 25 | 2 | 1.500 | 25.2 | 23.652 | 6 | 39 | 560 | 1960 | 34 | 36 | 50 | 55 | 10 | 46 | 5.5 | 9.5 | 5.5 | 12 |
| 25-2T4 | 25 | 2 | 1.500 | 25.2 | 23.652 | 4 | 27 | 395 | 1307 | 34 | 36 | 40 | 55 | 10 | 46 | 5.5 | 9.5 | 5.5 | 12 |
| 25-2T3 | 25 | 2 | 1.500 | 25.2 | 23.652 | 3 | 20 | 309 | 980 | 34 | 36 | 35 | 55 | 10 | 46 | 5.5 | 9.5 | 5.5 | 12 |
| 25-2.5T5 | 25 | 2.5 | 2.000 | 25.2 | 23.136 | 5 | 34 | 716 | 2117 | 38 | 40 | 52 | 62 | 10 | 51 | 6.6 | 11 | 6.5 | 12 |
| 25-4T4 | 25 | 4 | 2.381 | 25.25 | 22.792 | 4 | 28 | 747 | 1989 | 38 | 40 | 53 | 64 | 12 | 51 | 5.5 | 9.5 | 5.5 | 12 |
| 25-5T3 | 25 | 5 | 3.175 | 25.6 | 22.324 | 3 | 28 | 977 | 2314 | 37 | 40 | 46 | 63 | 11 | 51 | 5.5 | 9.5 | 5.5 | 10 |
| 25-5T4 | 25 | 5 | 3.175 | 25.6 | 22.324 | 4 | 37 | 1252 | 3085 | 37 | 40 | 51 | 63 | 11 | 51 | 5.5 | 9.5 | 5.5 | 10 |
| 25-5T5 | 25 | 5 | 3.175 | 25.6 | 22.324 | 5 | 40 | 1516 | 3856 | 38 | 40 | 56 | 63 | 11 | 51 | 5.5 | 9.5 | 5.5 | 10 |
| 25-5T6 | 25 | 5 | 3.175 | 25.6 | 22.324 | 6 | 48 | 1773 | 4627 | 38 | 40 | 65 | 63 | 11 | 51 | 5.5 | 9.5 | 5.5 | 10 |
| 25-6T3 | 25 | 5 | 3.969 | 25.8 | 21.744 | 3 | 28 | 1272 | 2762 | 38 | 42 | 51 | 65 | 12 | 53 | 5.5 | 9.5 | 5.5 | 12 |
| 25-6T4 | 25 | 5 | 3.969 | 25.8 | 21.744 | 4 | 37 | 1628 | 3682 | 38 | 42 | 61 | 65 | 12 | 53 | 5.5 | 9.5 | 5.5 | 12 |
| 25-10T3 | 25 | 10 | 4.763 | 26 | 21.132 | 3 | 25 | 1591 | 3236 | 42 | 45 | 69 | 69 | 15 | 55 | 6.6 | 11 | 6.5 | 12 |
| 25-10T4 | 25 | 10 | 4.763 | 26 | 21.132 | 4 | 33 | 2038 | 4315 | 42 | 45 | 80 | 69 | 15 | 55 | 6.6 | 11 | 6.5 | 12 |
| 32-5T3 | 32 | 5 | 3.175 | 32.6 | 29.324 | 3 | 33 | 1117 | 3081 | 44 | 48 | 46 | 74 | 12 | 60 | 6.6 | 11 | 6.5 | 12 |
| 32-5T4 | 32 | 5 | 3.175 | 32.6 | 29.324 | 4 | 42 | 1431 | 4108 | 44 | 48 | 53 | 74 | 12 | 60 | 6.6 | 11 | 6.5 | 12 |
| 32-5T6 | 32 | 5 | 3.175 | 32.6 | 29.324 | 6 | 63 | 2027 | 6162 | 44 | 48 | 66 | 74 | 12 | 60 | 6.6 | 11 | 6.5 | 12 |
| 32-6T3 | 32 | 6 | 3.969 | 32.8 | 28.744 | 3 | 33 | 1446 | 3620 | 45 | 50 | 51 | 76 | 12 | 62 | 6.6 | 11 | 6.5 | 12 |
| 32-6T4 | 32 | 6 | 3.969 | 32.8 | 28.744 | 4 | 43 | 1852 | 4826 | 45 | 50 | 61 | 76 | 12 | 62 | 6.6 | 11 | 6.5 | 12 |
| 32-6T6 | 32 | 6 | 3.969 | 32.8 | 28.744 | 6 | 65 | 2625 | 7239 | 45 | 50 | 75 | 76 | 12 | 62 | 6.6 | 11 | 6.5 | 12 |
| 32-8T3 | 32 | 8 | 4.763 | 33 | 28.132 | 3 | 35 | 1810 | 4227 | 47 | 52 | 63 | 78 | 16 | 64 | 6.6 | 11 | 6.5 | 12 |
| 32-8T4 | 32 | 8 | 4.763 | 33 | 28.132 | 4 | 47 | 2317 | 5635 | 47 | 52 | 74 | 78 | 16 | 64 | 6.6 | 11 | 6.5 | 12 |
| 32-10T3 | 32 | 10 | 6.350 | 33.4 | 26.91 | 3 | 35 | 2539 | 5327 | 51 | 56 | 72 | 82 | 16 | 68 | 6.6 | 11 | 6.5 | 12 |
| 32-10T4 | 32 | 10 | 6.350 | 33.4 | 26.91 | 4 | 48 | 3252 | 7102 | 51 | 56 | 83 | 82 | 16 | 68 | 6.6 | 11 | 6.5 | 12 |
| 40-5T4 | 40 | 5 | 3.175 | 40.6 | 37.324 | 4 | 50 | 1599 | 5280 | 51 | 54 | 53 | 80 | 16 | 66 | 6.6 | 11 | 6.5 | 12 |
| 40-5T6 | 40 | 5 | 3.175 | 40.6 | 37.324 | 6 | 74 | 2265 | 7919 | 51 | 54 | 66 | 80 | 16 | 66 | 6.6 | 11 | 6.5 | 12 |
| 40-5.08T6 | 40 | 5.08 | 3.175 | 40.6 | 37.324 | 6 | 74 | 2265 | 7919 | 53 | 56 | 65 | 90 | 15 | 72 | 9 | 14 | 8.5 | 15 |
| 40-6T4 | 40 | 6 | 3.969 | 40.8 | 36.744 | 4 | 50 | 2136 | 6420 | 53 | 56 | 65 | 88 | 16 | 72 | 9 | 14 | 8.5 | 15 |
| 40-6T6 | 40 | 6 | 3.969 | 40.8 | 36.744 | 6 | 74 | 3028 | 9630 | 53 | 56 | 79 | 88 | 16 | 72 | 9 | 14 | 8.5 | 15 |
| 40-8T4 | 40 | 8 | 4.763 | 41 | 36.132 | 4 | 52 | 2728 | 7596 | 55 | 60 | 78 | 92 | 16 | 75 | 9 | 14 | 8.5 | 15 |
| 40-8T6 | 40 | 8 | 4.763 | 41 | 36.132 | 6 | 76 | 3866 | 1394 | 55 | 60 | 99 | 92 | 16 | 75 | 9 | 14 | 8.5 | 15 |
| 40-10T3 | 40 | 10 | 6.350 | 41.4 | 34.91 | 3 | 40 | 2959 | 7069 | 60 | 65 | 76 | 96 | 16 | 80 | 9 | 14 | 8.5 | 15 |
| 40-10T4 | 40 | 10 | 6.350 | 41.4 | 34.91 | 4 | 51 | 3789 | 9426 | 60 | 65 | 87 | 96 | 16 | 80 | 9 | 14 | 8.5 | 15 |
| 50-5T4 | 50 | 5 | 3.175 | 50.6 | 47.324 | 4 | 62 | 1757 | 6745 | 62 | 65 | 57 | 96 | 16 | 80 | 9 | 14 | 8.5 | 15 |
| 50-5T6 | 50 | 5 | 3.175 | 50.6 | 47.324 | 6 | 91 | 2490 | 10117 | 62 | 65 | 70 | 96 | 16 | 80 | 9 | 14 | 8.5 | 15 |
| 50-6T4 | 50 | 6 | 3.969 | 50.8 | 46.744 | 4 | 62 | 2388 | 8250 | 64 | 68 | 100 | 16 | 84 | 9 | 14 | 8.5 | 15 | |
| 50-6T6 | 50 | 6 | 3.969 | 50.8 | 46.744 | 6 | 93 | 3384 | 12375 | 64 | 68 | 79 | 100 | 16 | 84 | 9 | 14 | 8.5 | 15 |
| 50-8T4 | 50 | 8 | 4.763 | 51 | 46.132 | 4 | 62 | 2998 | 9578 | 65 | 70 | 78 | 102 | 16 | 85 | 9 | 14 | 8.5 | 15 |
| 50-8T6 | 50 | 8 | 4.763 | 51 | 46.132 | 6 | 92 | 4249 | 14367 | 65 | 70 | 99 | 102 | 16 | 85 | 9 | 14 | 8.5 | 15 |
| 50-10T3 | 50 | 10 | 6.350 | 51.4 | 44.91 | 3 | 50 | 3397 | 9256 | 69 | 74 | 78 | 114 | 18 | 92 | 11 | 17.5 | 11 | 20 |
| 50-10T4 | 50 | 10 | 6.350 | 51.4 | 44.91 | 4 | 63 | 4350 | 12341 | 69 | 74 | 89 | 114 | 18 | 92 | 11 | 17.5 | 11 | 20 |
| 50-10T6 | 50 | 10 | 6.350 | 51.4 | 44.91 | 6 | 94 | 6165 | 18511 | 69 | 74 | 112 | 114 | 18 | 92 | 11 | 17.5 | 11 | 20 |
| 50-12T3 | 50 | 12 | 7.938 | 51.8 | 43.688 | 3 | 50 | 4420 | 11047 | 73 | 78 | 90 | 118 | 18 | 96 | 11 | 17.5 | 11 | 20 |
| 50-12T4 | 50 | 12 | 7.938 | 51.8 | 43.688 | 4 | 63 | 5660 | 14730 | 73 | 78 | 103 | 118 | 18 | 96 | 11 | 17.5 | 11 | 20 |
| 50-20T4 | 50 | 20 | 9.525 | 52.2 | 42.466 | 4 | 80 | 9327 | 23955 | 75 | 78 | 186 | 129 | 28 | 105 | 14 | 20 | 13 | 30 |
| 63-6T4 | 63 | 6 | 3.969 | 63.8 | 59.744 | 4 | 75 | 2614 | 10542 | 78 | 80 | 66 | 119 | 18 | 98 | 11 | 17.5 | 11 | 20 |
| 63-6T6 | 63 | 6 | 3.969 | 63.8 | 59.744 | 6 | 113 | 3704 | 15813 | 78 | 80 | 81 | 119 | 18 | 98 | 11 | 17.5 | 11 | 20 |
| 63-8T4 | 63 | 8 | 4.763 | 64 | 59.132 | 4 | 77 | 3395 | 12541 | 79 | 82 | 80 | 122 | 18 | 100 | 11 | 17.5 | 11 | 20 |
| 63-8T6 | 63 | 8 | 4.763 | 64 | 59.132 | 6 | 114 | 4812 | 18811 | 79 | 82 | 101 | 122 | 18 | 100 | 11 | 17.5 | 11 | 20 |
| 63-10T4 | 63 | 10 | 6.350 | 64.4 | 57.91 | 4 | 79 | 4860 | 15858 | 82 | 88 | 91 | 134 | 20 | 110 | 14 | 20 | 13 | 20 |
| 63-10T6 | 63 | 10 | 6.350 | 64.4 | 57.91 | 6 | 115 | 6887 | 23786 | 82 | 88 | 114 | 134 | 20 | 110 | 14 | 20 | 13 | 20 |
| 63-12T4 | 63 | 12 | 7.938 | 64.8 | 56.688 | 4 | 78 | 6479 | 19293 | 86 | 92 | 105 | 138 | 20 | 114 | 14 | 20 | 13 | 20 |
| 63-12T6 | 63 | 12 | 7.938 | 64.8 | 56.688 | 6 | 113 | 9182 | 28939 | 86 | 92 | 133 | 138 | 20 | 114 | 14 | 20 | 13 | 20 |
| 80-10T4 | 80 | 10 | 6.350 | 81.4 | 74.91 | 4 | 96 | 5559 | 21118 | 99 | 105 | 91 | 152 | 20 | 127 | 14 | 20 | 13 | 20 |
| 80-10T6 | 80 | 10 | 6.350 | 81.4 | 74.91 | 6 | 140 | 7879 | 31677 | 99 | 105 | 114 | 152 | 20 | 127 | 14 | 20 | 13 | 20 |
| 80-12T4 | 80 | 12 | 7.938 | 81.8 | 73.688 | 4 | 97 | 7430 | 25681 | 103 | 110 | 109 | 170 | 24 | 138 | 18 | 26 | 17.5 | 25 |
| 80-12T6 | 80 | 12 | 7.938 | 81.08 | 73.688 | 6 | 141 | 10530 | 38521 | 103 | 110 | 137 | 170 | 24 | 138 | 18 | 26 | 17.5 | 25 |
| 80-16T3 | 80 | 16 | 9.525 | 82.2 | 72.466 | 3 | 95 | 9663 | 31622 | 108 | 115 | 118 | 174 | 24 | 143 | 18 | 26 | 17.5 | 25 |
| 80-16T4 | 80 | 16 | 9.525 | 82.2 | 72.466 | 4 | 130 | 12375 | 42162 | 108 | 115 | 136 | 174 | 24 | 143 | 18 | 26 | 17.5 | 25 |
| 80-20T3 | 80 | 20 | 9.525 | 82.2 | 72.466 | 3 | 95 | 9663 | 31622 | 108 | 115 | 138 | 174 | 24 | 143 | 18 | 26 | 17.5 | 25 |
| 80-20T4 | 80 | 20 | 9.525 | 82.2 | 72.466 | 4 | 125 | 12375 | 42162 | 108 | 115 | 161 | 174 | 24 | 143 | 18 | 26 | 17.5 | 25 |
| 100-12T4 | 100 | 12 | 7.938 | 101.8 | 93.688 | 4 | 105 | 8306 | 33001 | 123 | 130 | 109 | 190 | 24 | 158 | 18 | 26 | 17.5 | 25 |
| 100-12T6 | 100 | 12 | 7.938 | 101.8 | 93.688 | 6 | 175 | 11772 | 49502 | 123 | 130 | 137 | 190 | 24 | 158 | 18 | 26 | 17.5 | 25 |
| 100-16T4 | 100 | 16 | 9.525 | 102.2 | 92.466 | 4 | 107 | 13569 | 53161 | 125 | 135 | 136 | 194 | 24 | 163 | 18 | 26 | 17.5 | 30 |
| 100-16T6 | 100 | 16 | 9.525 | 102.2 | 92.466 | 6 | 140 | 19230 | 79741 | 125 | 135 | 173 | 194 | 24 | 163 | 18 | 26 | 17.5 | 30 |
| 100-20T4 | 100 | 20 | 9.525 | 102.2 | 92.466 | 4 | 155 | 13569 | 53161 | 125 | 135 | 161 | 194 | 24 | 163 | 18 | 26 | 17.5 | 30 |

公司名称:上海迈动机电设备有限公司
公司地址:上海青浦工业区崧海路98号
邮政编码:201703
公司电话:021-54422420
公司传真:021-54422420-801
邮箱:shmidon@126.com
户名:上海迈动机电设备有限公司
税号:310112660703692
开户行:工行上海莘庄支行
账号:1001140209007024765
电话:021-54422420 54422402
传真:021-54422420-801
地址:上海莘庄工业园区申富路128号(开票)
地址:上海青浦工业园区崧海路98号(收货地址)
上海迈动机电设备有限公司提供17%的增值税发票;
品质100%保证,让你更放心使用。