86-021-54422420 13818829143
86-021-54422402 17701898099

MGTS 磨制单母高速重载丝杆

磨制单母高速重载丝杆的优势特性:
1:重载丝杆在设计上采用大直径滚珠及高强度的滚珠循环器,可承受较大的轴向负荷和较大的加减速运动,延长使用寿命。多点注油满足小行程使用也能充分润滑。
2:重载丝杆与一般标准产品比较,其额定负荷大幅提高约2-3倍以上。
重载丝杆应用领域:注塑机、高压阀门、电动缸、拉力试验机、全电式射出成型机,冲压机、立体车库、重负荷致动器、锻压机械等高重载设备。
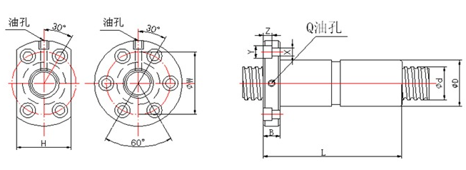
| MGTS | 磨制单母高速重载丝杆 | 精度P=5、4、3、2、1 | SFV | ||||||||||||||
| 规格型号 | 公称直径 | 导程 | 钢球直径 | 螺帽安装链接尺寸(MM) | 滚珠圈数 | 动额定负荷CaKN | 静额定负荷CoKN | 刚性KN/μm | |||||||||
| D | A | B | L | W | H | X | Y | Z | Q | ||||||||
| MGTS 1210-2.7 | 12 | 10 | 2.5 | 30 | 50 | 10 | 53 | 40 | 32 | 4.5 | 8 | 4.5 | M6 | 2.7*1 | 451 | 785 | 11 |
| MGTS 1510-2.7 | 15 | 10 | 3.175 | 34 | 58 | 10 | 57 | 45 | 34 | 5.5 | 9.5 | 5.5 | M6 | 2.7*1 | 693 | 1267 | 14 |
| MGTS 2010-2.7 | 20 | 10 | 3.969 | 46 | 74 | 13 | 57 | 59 | 46 | 6.6 | 11 | 6.5 | M6 | 2.7*1 | 1065 | 2104 | 18 |
| MGTS 2510-2.7 | 25 | 10 | 6.35 | 68 | 102 | 15 | 70 | 84 | 82 | 9 | 14 | 8.5 | M8 | 2.7*1 | 2205 | 4118 | 23 |
| MGTS 3210-4.8 | 32 | 10 | 6.35 | 74 | 108 | 15 | 96 | 90 | 82 | 9 | 14 | 9 | M8 | 4.8*1 | 3963 | 9011 | 53 |
| MGTS 3220-2.7 | 20 | 6.35 | 74 | 108 | 16 | 100 | 90 | 82 | 9 | 14 | 8.5 | M8 | 2.7*1 | 2481 | 5385 | 29 | |
| MGTS 4010-4.8 | 40 | 10 | 6.35 | 82 | 124 | 18 | 100 | 102 | 94 | 11 | 18 | 11 | M8 | 4.8*1 | 4372 | 11264 | 65 |
| MGTS 4020-2.7 | 20 | 6.35 | 82 | 124 | 18 | 100 | 102 | 90 | 11 | 18 | 11 | M8 | 2.7*1 | 2723 | 6653 | 36 | |
| MGTS 5010-4.8 | 50 | 10 | 6.35 | 93 | 135 | 16 | 93 | 113 | 98 | 11 | 18 | 11 | M8 | 4.8*1 | 4823 | 14080 | 81 |
| MGTS 5020-2.7 | 20 | 9.525 | 105 | 152 | 28 | 121 | 128 | 110 | 14 | 20 | 13 | M8 | 2.7*1 | 5149 | 12118 | 46 | |
| MGTS 6310-4.8 | 63 | 10 | 6.35 | 108 | 154 | 22 | 105 | 130 | 110 | 14 | 20 | 13 | M8 | 4.8*1 | 5377 | 18023 | 101 |
| MGTS 6320-2.7 | 20 | 9.525 | 122 | 180 | 28 | 120 | 150 | 130 | 18 | 26 | 18 | M8 | 2.7*1 | 5651 | 14969 | 57 | |
| MGTS 8010-4.8 | 80 | 10 | 6.35 | 130 | 176 | 22 | 105 | 152 | 132 | 14 | 20 | 13 | M8 | 4.8*1 | 5931 | 22528 | 127 |
| MGTS 8020-4.8 | 20 | 9.525 | 143 | 204 | 28 | 180 | 172 | 148 | 18 | 26 | 18 | M8 | 4.8*1 | 10352 | 34215 | 129 | |
| MGTS 8020-7.6 | 20 | 9.525 | 143 | 204 | 28 | 240 | 172 | 148 | 18 | 26 | 18 | M8 | 3.8*2 | 15370 | 54175 | 204 | |

MGTD 磨制单母高速重载丝杆
| MGTD | 磨制双母高速重载丝杆 | 精度P=5、4、3、2、1 | |||||||||||||||
| 规格型号 | 公称直径 | 导程 | 钢球直径 | 螺帽安装链接尺寸(MM) | 滚珠圈数 | 动额定负荷CaKN | 静额定负荷CoKN | 刚性KN/μm | |||||||||
| D | A | B | L | W | H | X | Y | Z | Q | ||||||||
| MGTD 1510-2.7 | 15 | 10 | 3.175 | 34 | 58 | 10 | 107 | 45 | 34 | 5.5 | 9.6 | 5.5 | M6 | 2.7*1 | 693 | 1267 | 28 |
| MGTD 2005-4.8 | 20 | 5 | 3.175 | 44 | 67 | 11 | 112 | 55 | 52 | 5.5 | 9.6 | 5.5 | M6 | 4.8*1 | 1255 | 2816 | 65 |
| MGTD 2510-2.7 | 25 | 10 | 6.35 | 68 | 102 | 15 | 130 | 84 | 82 | 9 | 14 | 8.5 | M8 | 2.7*1 | 2205 | 4118 | 47 |
| MGTD 3210-4.8 | 32 | 10 | 6.35 | 74 | 108 | 15 | 186 | 90 | 82 | 9 | 14 | 9 | M8 | 4.8*1 | 3963 | 9011 | 106 |
| MGTD 3220-2.7 | 20 | 6.35 | 74 | 108 | 16 | 200 | 90 | 82 | 9 | 14 | 8.5 | M8 | 2.7*1 | 2481 | 5385 | 59 | |
| MGTD 4010-4.8 | 40 | 10 | 6.35 | 82 | 124 | 18 | 188 | 102 | 94 | 11 | 18 | 11 | M8 | 4.8*1 | 4372 | 11264 | 130 |
| MGTD 4020-2.7 | 20 | 6.35 | 82 | 124 | 18 | 200 | 102 | 90 | 11 | 18 | 11 | M8 | 2.7*1 | 2723 | 6653 | 73 | |
| MGTD 5010-4.8 | 50 | 10 | 6.35 | 93 | 135 | 16 | 173 | 113 | 98 | 11 | 18 | 11 | M8 | 4.8*1 | 4823 | 14080 | 162 |
| MGTD 5020-2.7 | 20 | 9.525 | 105 | 152 | 28 | 221 | 128 | 110 | 14 | 20 | 13 | M8 | 2.7*1 | 5149 | 12118 | 93 | |
| MGTD 6310-4.8 | 63 | 10 | 6.35 | 108 | 154 | 22 | 195 | 130 | 110 | 14 | 20 | 13 | M8 | 4.8*1 | 5377 | 18023 | 202 |
| MGTD 6320-2.7 | 20 | 9.525 | 122 | 180 | 28 | 220 | 150 | 130 | 18 | 26 | 18 | M8 | 2.7*1 | 5651 | 14969 | 115 | |
| MGTD 8010-4.8 | 80 | 10 | 6.35 | 130 | 176 | 22 | 195 | 152 | 132 | 14 | 20 | 13 | M8 | 4.8*1 | 5931 | 22528 | 255 |
| MGTD 8020-4.8 | 20 | 9.525 | 143 | 204 | 28 | 340 | 172 | 148 | 18 | 26 | 18 | M8 | 4.8*1 | 10352 | 34215 | 258 | |
| MGTD 8020-7.6 | 20 | 9.525 | 143 | 204 | 28 | 460 | 172 | 148 | 18 | 26 | 18 | M8 | 3.8*2 | 15370 | 54175 | 409 | |

公司名称:上海迈动机电设备有限公司
公司地址:上海青浦工业区崧海路98号
邮政编码:201703
公司电话:021-54422420
公司传真:021-54422420-801
邮箱:shmidon@126.com
户名:上海迈动机电设备有限公司
税号:310112660703692
开户行:工行上海莘庄支行
账号:1001140209007024765
电话:021-54422420 54422402
传真:021-54422420-801
地址:上海莘庄工业园区申富路128号(开票)
地址:上海青浦工业园区崧海路98号(收货地址)
上海迈动机电设备有限公司提供17%的增值税发票;
品质100%保证,让你更放心使用。