86-021-54422420 13818829143
86-021-54422402 17701898099
All products
联轴器 Coupling
传动轮 Pulley
胀套 Lock
丝杆导轨 ScrewGuide
离合制动器 Clutch
传动器 Actuators
皮带 Belt
电机 Motor
轴承 Bearing

WSD、WS、WSS系列特性:
1、常用于联结空间两轴在同一轴线上,夹角≤45°的设备上,具有体积小,扭力大,角向轴向和径向大补偿能力。
2、允许两轴间平角在限定的范围内随工作需要而变动,要求转速慢的设备上运行。
3、每节最大轴向夹角45°成品孔公差H7,可根据要求开Y型键槽孔,Φ圆型孔,S型四方孔,F型六方孔、
4、常见于:输送,造纸,提升机,制茶机和滚动等起关节作用的设备传动上。
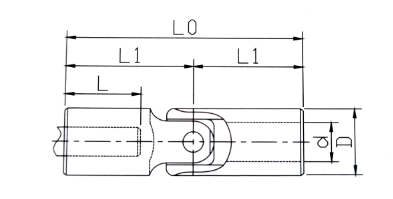
WSD系列 迈动十字万向联轴器


| WSD系列 迈动十字万向联轴器 | ||||||
| 尺寸 | 公称转距 | D | d | L0 | L | L1 |
| WSD1 | 11.2 | 16 | 8-10 | 60 | 22 | 30 |
| WSD2 | 22.4 | 20 | 8-12 | 64 | 22 | 32 |
| WSD3 | 45 | 25 | 12-14 | 80 | 27 | 40 |
| WSD4 | 71 | 32 | 16-18 | 92 | 30 | 46 |
| WSD5 | 140 | 40 | 19-22 | 116 | 38 | 58 |
| WSD6 | 280 | 50 | 24-28 | 138 | 44 | 69 |
| WSD7 | 560 | 60 | 30-35 | 182 | 60 | 91 |
| WSD8 | 1120 | 75 | 38-40 | 244 | 84 | 122 |
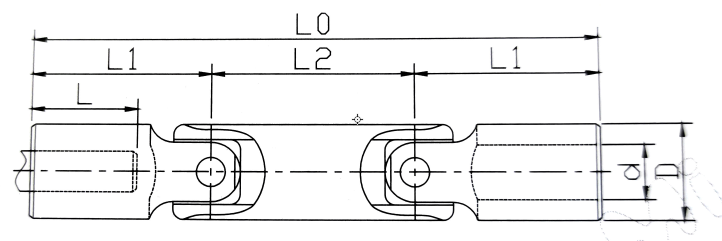
WS双节万向联轴器


| WS双节万向联轴器 | ||||||||
| 尺寸 | 公称转矩 | D | d | L0 | L | L1 | L2 | 重量kg |
| WS1 | 11.2 | 16 | 8-10 | 82 | 22 | 30 | 22 | 0.08 |
| WS2 | 22.4 | 20 | 8-12 | 90 | 22 | 32 | 26 | 0.15 |
| WS3 | 45 | 25 | 12-14 | 112 | 27 | 40 | 32 | 0.24 |
| WS4 | 71 | 32 | 16-18 | 134 | 30 | 46 | 42 | 0.56 |
| WS5 | 140 | 40 | 19-22 | 168 | 38 | 58 | 52 | 1.04 |
| WS6 | 280 | 50 | 24-28 | 203 | 44 | 69 | 65 | 1.89 |
| WS7 | 560 | 60 | 30-35 | 259 | 60 | 91 | 77 | 3.9 |
| WS8 | 1120 | 75 | 38-42 | 340 | 84 | 122 | 96 | 7.25 |
WSS双节可伸缩万向联轴器


| WSS双节可伸缩万向联轴器 | |||||||||
| 尺寸 | 公称转矩 | D | d | Lmin | L | L1 | C | S | 重量kg |
| WSS1 | 11.2 | 16 | 8-10 | 175 | 22 | 30 | 85 | 30 | 0.3 |
| WSS2 | 22.4 | 20 | 8-12 | 176 | 22 | 32 | 112 | 30 | 0.5 |
| WSS3 | 45 | 25 | 12-14 | 200 | 27 | 40 | 120 | 30 | 0.85 |
| WSS4 | 71 | 32 | 16-18 | 243 | 30 | 46 | 151 | 35 | 1.74 |
| WSS5 | 140 | 40 | 19-22 | 287 | 38 | 58 | 171 | 43 | 3.15 |
| WSS6 | 280 | 50 | 24-28 | 337 | 44 | 69 | 199 | 50 | 5.7 |
| WSS7 | 560 | 60 | 30-35 | 428 | 60 | 91 | 246 | 65 | 11.3 |
| WSS8 | 1120 | 75 | 38-40 | 556 | 84 | 122 | 322 | 90 | 21.3 |

公司名称:上海迈动机电设备有限公司
公司地址:上海青浦工业区崧海路98号
邮政编码:201703
公司电话:021-54422420
公司传真:021-54422420-801
邮箱:shmidon@126.com
户名:上海迈动机电设备有限公司
税号:310112660703692
开户行:工行上海莘庄支行
账号:1001140209007024765
电话:021-54422420 54422402
传真:021-54422420-801
地址:上海莘庄工业园区申富路128号(开票)
地址:上海青浦工业园区崧海路98号(收货地址)
上海迈动机电设备有限公司提供17%的增值税发票;
品质100%保证,让你更放心使用。
ADD:上海迈动机电设备有限公司 备案号:沪ICP备15037005
TEL:86-021-54422420,021-544227902 ,021-54422402 MB:13818829143,17701898099