86-021-54422420 13818829143
86-021-54422402 17701898099
All products
联轴器 Coupling
传动轮 Pulley
胀套 Lock
丝杆导轨 ScrewGuide
离合制动器 Clutch
传动器 Actuators
皮带 Belt
电机 Motor
轴承 Bearing

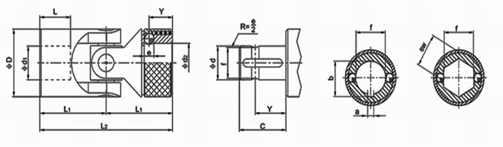
GR快速接头万向联轴器,速锁紧GR和HR:
1.单节万向节带快速锁紧(可脱开).2. Gr型带滑轮轴承nmax=1000min-1
3.HR型带滚针轴承nmax=4000min-1 4.每节最大转动角度为45°
5.所供的快速锁紧装置(d2)仅有公差为H7的成品孔带DIN6885/1-JS9标准的键槽或六角孔可选。
| 规格 Slze | d1、d2 (H7) | D | L2 | L1 | C | Y | e | f | a(JS9) | b | SW(H8) | |
| 01GR | 8 | 16 | 52 | 26 | 14 | 9.5 | 3.5 | 7 | 2 | 9 | 8 | |
| 02GR | 02HR | 10 | 22 | 62 | 31 | 17 | 11.5 | 4 | 8.7 | 3 | 11 | 10 |
| 03GR | 03HR | 12 | 25 | 74 | 37 | 21 | 13.5 | 4 | 11 | 4 | 13.3 | 12 |
| 04GR | 04HR | 16 | 32 | 86 | 43 | 24 | 14 | 6.35 | 14.8 | 5 | 17.3 | 16 |
| 05GR | 05HR | 18 | 36 | 96 | 48 | 28 | 19 | 8 | 16 | 6 | 19.8 | 18 |
| 06GR | 06HR | 20 | 42 | 108 | 54 | 31 | 19 | 8 | 18 | 6 | 22.3 | 20 |
| 07GR | 07HR | 22 | 45 | 120 | 60 | 34 | 20.5 | 10 | 20 | 6 | 24.8 | 22 |
| 08GR | 08HR | 25 | 50 | 132 | 66 | 38 | 20.5 | 10 | 23 | 6 | 28.3 | 25 |
| 09GR | 09HR | 30 | 58 | 166 | 83 | 49 | 25 | 10 | 28 | 6 | 33.3 | 30 |

| 型号规格/尺寸 | d | D | L | a | H |
| 8#快拆万向节 | 8 | 15 | 38 | 3 | X |
| H8#快拆万向节 | 8 | 15 | 38 | X | 8 |
| H7#快拆万向节 | 8 | 15 | 38 | X | 7 |
| 10#快拆万向节 | 10 | 20 | 42 | 4 | X |
| H10#快拆万向节 | 10 | 20 | 42 | X | 10 |

公司名称:上海迈动机电设备有限公司
公司地址:上海青浦工业区崧海路98号
邮政编码:201703
公司电话:021-54422420
公司传真:021-54422420-801
邮箱:shmidon@126.com
户名:上海迈动机电设备有限公司
税号:310112660703692
开户行:工行上海莘庄支行
账号:1001140209007024765
电话:021-54422420 54422402
传真:021-54422420-801
地址:上海莘庄工业园区申富路128号(开票)
地址:上海青浦工业园区崧海路98号(收货地址)
上海迈动机电设备有限公司提供17%的增值税发票;
品质100%保证,让你更放心使用。
ADD:上海迈动机电设备有限公司 备案号:沪ICP备15037005
TEL:86-021-54422420,021-544227902 ,021-54422402 MB:13818829143,17701898099