
【迈动工业】SFE 高速导程滚珠丝杆
\
【动工业】轧制滚珠丝杆的优点:
1.寿命高:由于冷撞压成形,丝杠,牙纹表面组织变的更加致密,耐磨性更高。
2.光洁度好:由于冷撞压成形,丝杠,牙纹表面组织变的更加致密,因此有极好的表面光洁度。
3.缺口敏感性降低:由于冷撞压成形,原材料的纤维设断。
4.优异的尺寸精度:通过模具挤压成形,每根工件的尺寸基本一致,丝杠、螺栂 的互换性好。
5.合理的制造工艺:工件长度不爱机床长度的限制。
6. 生产周期相对较短:由于大批量自动化生产,因此常备库存,按客户要求加工限可。
7. 更经济:适合大批量自动化生产的需要,降低人力资源和成本。
如若要精度更高的产品,请见我们的研磨丝杆


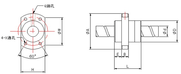
| 规格型号 | 公称直径 | 导程 | 钢球直径 | 螺帽安装链接尺寸(MM) | 滚珠圈数 | 动额定负荷CaKN | 静额定负荷CoKN | 刚性KN/μm | ||||||||
| D | A | E | B | L | W | H | X | Q | ||||||||
| SFE1616-3 | 16 | 16 | 2.778 | 32 | 53 | 10.1 | 10 | 38 | 42 | 34 | 4.5 | M6 | 1.7*2 | 650 | 1280 | 19 |
| SFE1616-6 | 16 | 2.778 | 32 | 53 | 10.1 | 10 | 38 | 42 | 34 | 4.5 | M6 | 1.7*4 | 1180 | 2550 | 36 | |
| SFE1632-3 | 16 | 32 | 3.175 | 34 | 55 | 10.5 | 10 | 34 | 45 | 36 | 5.5 | M6 | 0.7*2 | 410 | 680 | 21 |
| SFE1632-6 | 32 | 3.175 | 34 | 55 | 10.5 | 10 | 34 | 45 | 36 | 5.5 | M6 | 0.7*4 | 820 | 1360 | 41 | |
| SFE2020-3 | 20 | 20 | 3.175 | 39 | 62 | 11.5 | 10 | 47 | 50 | 41 | 5.5 | M6 | 1.7*2 | 980 | 2140 | 25 |
| SFE2020-6 | 20 | 3.175 | 39 | 62 | 11.5 | 10 | 47 | 50 | 41 | 5.5 | M6 | 1.7*4 | 1780 | 4280 | 49 | |
| SFE2040-3 | 20 | 40 | 3.175 | 38 | 58 | 11 | 10 | 41 | 48 | 40 | 5.5 | M6 | 0.7*2 | 455 | 880 | 25 |
| SFE2040-6 | 40 | 3.175 | 38 | 58 | 11 | 10 | 41 | 48 | 40 | 5.5 | M6 | 0.7*4 | 910 | 1760 | 49 | |
| SFE2525-3 | 25 | 25 | 3.696 | 47 | 74 | 13 | 12 | 57 | 60 | 49 | 6.6 | M6 | 1.7*2 | 1470 | 3350 | 31 |
| SFE2525-6 | 25 | 3.696 | 47 | 74 | 13 | 12 | 57 | 60 | 49 | 6.6 | M6 | 1.7*4 | 2660 | 6690 | 60 | |
| SFE2550-3 | 25 | 50 | 3.696 | 46 | 70 | 13 | 12 | 50 | 58 | 48 | 6.6 | M6 | 0.7*2 | 685 | 1380 | 31 |
| SFE2550-6 | 50 | 3.696 | 46 | 70 | 13 | 12 | 50 | 58 | 48 | 6.6 | M6 | 0.7*4 | 1370 | 2760 | 60 | |
| SFE3232-3 | 32 | 32 | 4.762 | 58 | 92 | 16 | 12 | 71 | 74 | 60 | 9 | M6 | 1.7*2 | 2140 | 5260 | 40 |
| SFE3232-6 | 32 | 4.762 | 58 | 92 | 16 | 12 | 71 | 74 | 60 | 9 | M6 | 1.7*4 | 3890 | 10500 | 76 | |
| SFE3264-3 | 32 | 64 | 4.762 | 58 | 92 | 15.5 | 12 | 62 | 74 | 60 | 9 | M6 | 0.7*2 | 1000 | 2130 | 40 |
| SFE3264-6 | 64 | 4.762 | 58 | 92 | 15.5 | 12 | 62 | 74 | 60 | 9 | M6 | 0.7*4 | 2000 | 4260 | 77 | |
| SFE4040-3 | 40 | 40 | 6.35 | 73 | 114 | 19 | 15 | 89 | 93 | 75 | 11 | M6 | 1.7*2 | 3410 | 8820 | 49 |
| SFE4040-6 | 40 | 6.35 | 73 | 114 | 19 | 15 | 89 | 93 | 75 | 11 | M6 | 1.7*4 | 6200 | 17600 | 95 | |
| SFE5050-3 | 50 | 50 | 7.938 | 90 | 135 | 21.5 | 20 | 107 | 112 | 92 | 14 | M6 | 1.7*2 | 5100 | 13800 | 60 |
| SFE5050-6 | 50 | 7.938 | 90 | 135 | 21.5 | 20 | 107 | 112 | 92 | 14 | M6 | 1.7*4 | 7260 | 27600 | 117 | |
在螺母的上面带有一个通孔,使滚珠实现往复运动,兼具内循环与外循环之优点,负载大而又节省空间,适合大导程(导程/外径比值≥1)、高负载之滚珠丝杆。又分为端盖式及端面式,可依客户需求订制

因为轧制丝杠高效、减磨、节能、降耗等绿色制造技术特徵,使其应用不断广泛拓展,除了传统机床设备外,轧制丝杠与电机组合成的电动推杠,比起传统的油压系统更环保节能,可运用于自动化设备、电动汽车、太阳能发电、运输轨道系统及各种医疗、休闲产业等,为绿色产业发展的重要零部件!
广泛应用于:
雕刻机械 水刀切割机 印刷机械 数控铣床 数控车床 转塔式冲床 平面磨床 折弯机 剪扳机 绕线机 木工机械 火花机 点胶机

公司名称:上海迈动机电设备有限公司
公司地址:上海青浦工业区崧海路98号
邮政编码:201703
公司电话:021-54422420
公司传真:021-54422420-801
邮箱:shmidon@126.com
户名:上海迈动机电设备有限公司
税号:310112660703692
开户行:工行上海莘庄支行
账号:1001140209007024765
电话:021-54422420 54422402
传真:021-54422420-801
地址:上海莘庄工业园区申富路128号(开票)
地址:上海青浦工业园区崧海路98号(收货地址)
上海迈动机电设备有限公司提供17%的增值税发票;
品质100%保证,让你更放心使用。