
MLZ型梅花弹性联轴器主要特点:
1、梅花形弹性联轴器结构简单,径向尺寸小,重量轻,转动惯量小,适用于中高速场合。
2、梅花形弹性联轴器工作稳定可靠,具有良好的减振、缓冲和电绝缘性能。
3、梅花形弹性联轴器具有较大的轴向、径向和角向补偿能力。
4、梅花形弹性联轴器高强度聚氨酯弹性元件耐磨耐油,承载能力大,使用寿命长,安全可靠。
5、联轴器无需润滑,维护工作量少,可连续长期运行。
性能:
梅花形弹性联轴器主要适用于起动频繁、正反转、中高速、中等扭矩和要求高可靠性的工作场合,例如:冶金、矿山、石油、化工、起重、运输、轻工、纺织、水泵、风机等。工作环境温度 -35℃~+80℃,传递公称扭矩16~25000Nm,许用转速1500~15300r/min。


MLZ梅花弹性联轴器
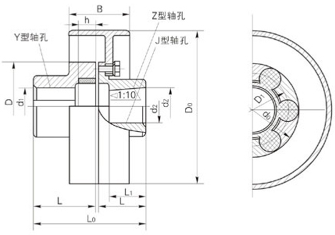
| 型号 Typle | 公称转矩 Tn /N·m | 许用转速 [n]/m | 外径 D | 孔径 d1、d2 | 轴套长 L | 全长 L0 | 制动轮径 D1 | 质量 m/kg | 转动惯量 kg·m2 |
| MLZ1 | 45 | 8500 | 50 | 12-25 | 35 | 92 | 90 | 1.206 | 0.00082 |
| MLZ2 | 100 | 7600 | 60 | 16-30 | 38 | 101.5 | 100 | 1.648 | 0.0014 |
| MLZ3 | 200 | 6900 | 70 | 20-32 | 40 | 110 | 110 | 2.357 | 0.0024 |
| MLZ4 | 280 | 6200 | 85 | 22-40 | 45 | 122 | 125 | 3.556 | 0.005 |
| MLZ5 | 400 | 5000 | 105 | 25-45 | 50 | 138.5 | 150 | 6.361 | 0.0135 |
| MLZ6 | 710 | 4100 | 125 | 30-48 | 55 | 155 | 185 | 10.768 | 0.0329 |
| MLZ7 | 1120 | 3700 | 145 | 35-55 | 60 | 172 | 205 | 15.302 | 0.0581 |
| MLZ8 | 2240 | 3100 | 170 | 45-65 | 70 | 195 | 240 | 22.717 | 0.1175 |
| MLZ9 | 3550 | 2800 | 200 | 50-80 | 80 | 224 | 270 | 34.439 | 0.233 |
| MLZ10 | 5600 | 2500 | 230 | 60-100 | 90 | 248 | 305 | 51.358 | 0.459 |
| MLZ11 | 9000 | 2200 | 260 | 70-120 | 100 | 284 | 350 | 81.302 | 0.977 |
| MLZ12 | 12500 | 1900 | 300 | 80-130 | 115 | 321 | 400 | 115.53 | 1.751 |
| MLZ13 | 20000 | 1600 | 360 | 90-150 | 125 | 348 | 460 | 161.79 | 3.366 |
| MLZ14 | 25000 | 1500 | 400 | 100-160 | 135 | 358 | 500 | 196.3 | 4.867 |
MLL梅花制动轮联轴器
| 型号 | 许用转矩 MP/(N·m) | 许用 转速 | 轴孔 直径 | 轴孔 长度 | 外径D | 制动轮D0 | 轮宽 B | 总长 L0 | 弹径D1 | 中径 d0 | 弹体厚h | 转动惯量 | 质量 kg | 径向 | 轴向 | 角向 | |||
| TYPE | 弹性件硬度HA | rpm | d1/d2/d3 | Y型 | J、Z型 | mm | mm | mm | mm | mm | mm | mm | kg·m2 | mm | mm | ° | |||
| MLL4-D105-I-160 | 140 | 250 | 400 | 4750 | 25-42 | 62-112 | 44-84 | 105 | 160 | 70 | 151-251 | 72 | 100 | 20 | 2 | 8.5 | 0.8 | 2.5 | 2°00` |
| MLL4-D105-I-200 | 140 | 250 | 400 | 3800 | 25-42 | 62-112 | 44-84 | 105 | 200 | 85 | 151-251 | 72 | 100 | 20 | 3.8 | 9.5 | 0.8 | 2.5 | 2°00` |
| MLL5-D125-I-200 | 502 | 400 | 800 | 3800 | 30-38 | 82-112 | 60-84 | 125 | 200 | 85 | 197-257 | 90 | 122 | 25 | 5.75 | 13.8 | 1 | 3 | 1°30` |
| MLL6-D145-I-200 | 400 | 630 | 1120 | 3800 | 35-50 | 82-112 | 60-84 | 145 | 200 | 85 | 203-293 | 104 | 140 | 30 | 6.7 | 16.7 | 1 | 3 | 1°30` |
| MLL7-D170-I-250 | 710 | 1120 | 2240 | 3050 | 45-55 | 112-142 | 84-107 | 170 | 250 | 105 | 265-325 | 130 | 166 | 30 | 15.25 | 26.3 | 1 | 3.5 | 1°30` |
| MLL7-D170-I-315 | 710 | 1120 | 2240 | 2400 | 45-55 | 112-142 | 84-107 | 170 | 315 | 135 | 265-325 | 130 | 166 | 30 | 35 | 34.7 | 1 | 3.5 | 1°30` |
| MLL8-D200-I-315 | 1120 | 1800 | 3550 | 2400 | 50-75 | 112-142 | 84-107 | 200 | 315 | 135 | 272-332 | 156 | 196 | 35 | 45.9 | 47.3 | 1.5 | 4 | 1°30` |
| MLL8-D200-I-400 | 1120 | 1800 | 3550 | 1900 | 50-75 | 112-142 | 84-107 | 200 | 400 | 170 | 272-332 | 156 | 196 | 35 | 98 | 61.3 | 1.5 | 4 | 1°30` |
| MLL9-D230-I-400 | 1800 | 2800 | 5600 | 1900 | 60-95 | 142-172 | 107-132 | 230 | 400 | 170 | 334-394 | 180 | 225 | 35 | 132.5 | 84 | 1.5 | 4.5 | 1°00` |
| MLL9-D230-I-500 | 1800 | 2800 | 5600 | 1500 | 60-96 | 142-172 | 107-132 | 230 | 500 | 210 | 334-394 | 180 | 225 | 35 | 270 | 108 | 1.5 | 4.5 | 1°02` |
| MLL10-D260-I-500 | 2800 | 4500 | 9000 | 1500 | 70-110 | 142-172 | 107-167 | 260 | 500 | 210 | 334-484 | 205 | 255 | 45 | 330 | 132 | 1.5 | 5 | 1°04` |
| MLL11-D300-I-630 | 4000 | 6300 | 12500 | 1200 | 80-110 | 172-212 | 107-167 | 300 | 630 | 265 | 334-484 | 245 | 295 | 50 | 782 | 197 | 1.8 | 5 | 1°07` |
| MLL12-D360-I-710 | 7100 | 11200 | 20000 | 1050 | 90-130 | 172-252 | 132-202 | 360 | 710 | 300 | 417-577 | 300 | 356 | 55 | 1069 | 212 | 1.8 | 5 | 1°09` |
| MLL13-D400-I-800 | 8000 | 12500 | 25000 | 950 | 100-125 | 212 | 167 | 400 | 800 | 340 | 497 | 335 | 391 | 55 | 1920 | 294 | 1.8 | 5 | 1°09` |
型号 Typle | 公称转矩Tn N.m | 许用转速(n) r/min | 轴孔直径 d1,d2,dz | 轴L孔长度 mm | L推荐 | L0-I荐 | L1-II荐 | D0 | B | D | 弹性WSG | 最大kg |
| MLZ5-D105-I-160 | 250 | 4750 | 25-45 | 44-112 | 50 | 127 | 188.5 | 160 | 70 | 105 | MT5 | 9 |
| MLZ5-D105-I-200 | 250 | 3800 | 25-45 | 44-112 | 50 | 127 | 203.5 | 200 | 85 | 105 | MT5 | 10 |
| MLZ6-D125-I-200 | 400 | 3800 | 30-48 | 60-112 | 55 | 143 | 215 | 200 | 85 | 125 | MT6 | 14 |
| MLZ7-D145-I-200 | 630 | 3800 | 35-56 | 60-112 | 60 | 159 | 227 | 200 | 85 | 145 | MT7 | 17 |
| MLZ7-D145-I-250 | 630 | 3050 | 35-56 | 60-112 | 60 | 159 | 257 | 250 | 105 | 145 | MT7 | 22 |
| MLZ8-D170-I-250 | 1120 | 3050 | 45-65 | 84-142 | 70 | 181 | 270 | 250 | 105 | 170 | MT8 | 27 |
| MLZ8-D170-I-315 | 1120 | 2400 | 45-65 | 84-142 | 70 | 181 | 300 | 315 | 135 | 170 | MT8 | 35 |
| MLZ9-D200-I-315 | 1800 | 2400 | 50-80 | 84-142 | 80 | 208 | 319 | 215 | 135 | 200 | MT9 | 48 |
| MLZ9-D200-I-400 | 1800 | 1900 | 50-80 | 84-142 | 80 | 208 | 354 | 400 | 170 | 200 | MT9 | 62 |
| MLZ10-D230-I-400 | 2800 | 1900 | 60-100 | 107-172 | 90 | 230 | 369 | 400 | 170 | 230 | MT10 | 84 |
| MLZ10-D230-I-500 | 2800 | 1500 | 60-100 | 107-172 | 90 | 230 | 423 | 500 | 210 | 230 | MT10 | 110 |
| MLZ11-D260-I-500 | 4500 | 1500 | 70-120 | 107-172 | 100 | 260 | 448 | 500 | 210 | 260 | MT11 | 134 |
| MLZ12-D300-I-630 | 6300 | 1200 | 80-130 | 132-252 | 115 | 297 | 523 | 630 | 265 | 300 | MT12 | 200 |
| MLZ13-D360-I-710 | 11200 | 1050 | 90-150 | 132-252 | 125 | 323 | 583 | 710 | 300 | 360 | MT13 | 215 |
| MLZ14-D400-I-800 | 12500 | 950 | 100-160 | 167-302 | 135 | 333 | 633 | 800 | 340 | 400 | MT14 | 300 |


| 型号Typle | 公称转矩Tn N.m | 许用转速(n) r/min | 轴孔直径 d1,d2,dz | 轴L孔长度 mm | L推荐 | L0-I荐 | L1-II荐 | D0 | B | D | 弹性体 | 最大kg |
| MLZ5-D105-II-200 | 250 | 3800 | 25-45 | 44-112 | 50 | 127 | 203.5 | 200 | 85 | 105 | MT5 | 14 |
| MLZ6-D125-II-200 | 400 | 3800 | 30-49 | 60-113 | 55 | 143 | 215 | 200 | 85 | 125 | MT7 | 17 |
| MLZ7-D145-II-200 | 630 | 3800 | 35-56 | 60-112 | 60 | 159 | 227 | 200 | 85 | 145 | MT7 | 22 |
| MLZ7-D145-II-250 | 630 | 3050 | 35-56 | 60-112 | 60 | 159 | 257 | 250 | 105 | 145 | MT7 | 27 |
| MLZ8-D170-II-250 | 1120 | 3050 | 45-65 | 84-142 | 70 | 181 | 270 | 250 | 105 | 170 | MT8 | 32 |
| MLZ8-D170-II-315 | 1120 | 2400 | 45-65 | 84-142 | 70 | 181 | 300 | 315 | 135 | 170 | MT8 | 40 |
| MLZ9-D200-II-315 | 1800 | 2400 | 50-80 | 84-142 | 80 | 208 | 319 | 215 | 135 | 200 | MT9 | 56 |
| MLZ9-D200-II-400 | 1800 | 1900 | 50-80 | 84-142 | 80 | 208 | 354 | 400 | 170 | 200 | MT9 | 76 |
| MLZ10-D230-II-400 | 2800 | 1900 | 60-100 | 107-172 | 90 | 230 | 369 | 400 | 170 | 230 | MT10 | 94 |
| MLZ10-D260-II-500 | 2800 | 1500 | 60-100 | 107-172 | 90 | 230 | 423 | 500 | 210 | 230 | MT10 | 140 |
| MLZ11-D260-II-500 | 4500 | 1500 | 70-120 | 107-172 | 100 | 260 | 448 | 500 | 210 | 260 | MT11 | 182 |
| MLZ12-D300-II-630 | 6300 | 1200 | 80-130 | 132-252 | 115 | 297 | 523 | 630 | 265 | 300 | MT12 | 255 |
| MLZ13-D360-II-710 | 11200 | 1050 | 90-150 | 132-252 | 125 | 323 | 583 | 710 | 300 | 360 | MT13 | 300 |
| MLZ14-D400-II-800 | 12500 | 950 | 100-160 | 167-302 | 135 | 333 | 633 | 800 | 340 | 400 | MT14 | 330 |

公司名称:上海迈动机电设备有限公司
公司地址:上海青浦工业区崧海路98号
邮政编码:201703
公司电话:021-54422420
公司传真:021-54422420-801
邮箱:shmidon@126.com
户名:上海迈动机电设备有限公司
税号:310112660703692
开户行:工行上海莘庄支行
账号:1001140209007024765
电话:021-54422420 54422402
传真:021-54422420-801
地址:上海莘庄工业园区申富路128号(开票)
地址:上海青浦工业园区崧海路98号(收货地址)
上海迈动机电设备有限公司提供17%的增值税发票;
品质100%保证,让你更放心使用。