86-021-54422420 13818829143
86-021-54422402 17701898099



链轮:带嵌齿式扣链齿的轮子,用以与节链环或缆索上节距准确的块体相啮合一种实心或带辐条的齿轮,与(滚子)链啮合以传递运动。
链轮的特性:可适合长时间大扭力下工作,传递性能稳定。易安装,好维护和方便润滑。
链轮的应用:被广泛应用于化工、纺织机械、食品加工、仪表仪器、石油等行业的机械传动等。
| 美标140系列链轮 | 美标160系列链轮 | |||||||||||||||
| 节距(Pitch)=44.45(mm) | 节距(Pitch)=50.8(mm) | |||||||||||||||
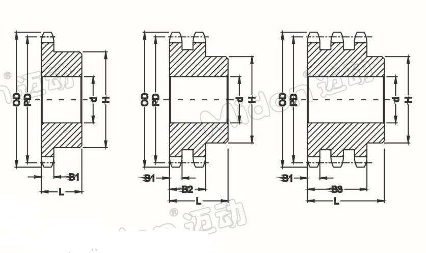
| 齿数Teeth | 外径O.D | 节径P.D | B型凸台Hub | 最大孔径 | 重量 W.t | 齿数Teeth | 外径O.D | 节径P.D | B型凸台Hub | 最大孔径 | 重量 W.t | |||||
| 毂径H | 轮厚L | Bore Max | B型. Kg | A型. Kg | 毂径H | 轮厚L | Bore Max | B型. Kg | A型. Kg | |||||||
| 10 | 163 | 143.84 | 98 | 56 | 66 | 4.90 | 2.90 | 10 | 186 | 164.39 | 105 | 63 | 70 | 6.80 | 4.85 | |
| 11 | 178 | 157.78 | 106 | 56 | 70 | 5.50 | 3.60 | 11 | 204 | 180.31 | 117 | 63 | 80 | 8.30 | 5.85 | |
| 12 | 193 | 171.74 | 117 | 56 | 80 | 6.60 | 4.20 | 12 | 220 | 196.28 | 127 | 63 | 89 | 9.90 | 6.90 | |
| 13 | 207 | 185.74 | 117 | 63 | 80 | 7.90 | 4.90 | 13 | 237 | 212.27 | 137 | 71 | 95 | 12.50 | 8.10 | |
| 14 | 221 | 199.76 | 127 | 63 | 89 | 9.30 | 5.70 | 14 | 253 | 228.3 | 137 | 71 | 95 | 13.80 | 9.40 | |
| 15 | 236 | 213.79 | 127 | 63 | 89 | 10.10 | 6.60 | 15 | 269 | 244.33 | 137 | 71 | 95 | 15.20 | 10.80 | |
| 16 | 250 | 227.84 | 127 | 63 | 89 | 11.00 | 7.50 | 16 | 286 | 260.39 | 147 | 71 | 103 | 17.40 | 12.25 | |
| 17 | 264 | 241.91 | 127 | 63 | 89 | 12.00 | 8.40 | 17 | 302 | 276.46 | 147 | 71 | 103 | 18.90 | 13.80 | |
| 18 | 279 | 255.98 | 127 | 63 | 89 | 13.00 | 9.40 | 18 | 319 | 292.55 | 147 | 71 | 103 | 20.60 | 15.50 | |
| 19 | 293 | 270.06 | 137 | 71 | 95 | 15.60 | 10.50 | 19 | 335 | 308.64 | 147 | 71 | 103 | 22.30 | 17.20 | |
| 20 | 307 | 284.15 | 137 | 71 | 95 | 16.70 | 11.60 | 20 | 351 | 324.74 | 147 | 71 | 103 | 24.20 | 19.00 | |
| 21 | 322 | 298.24 | 137 | 71 | 95 | 17.90 | 12.80 | 21 | 368 | 340.84 | 147 | 71 | 103 | 26.10 | 21.00 | |
| 22 | 336 | 312.34 | 137 | 71 | 95 | 18.40 | 14.10 | 22 | 384 | 356.96 | 167 | 80 | 118 | 30.20 | 23.00 | |
| 23 | 350 | 326.44 | 137 | 71 | 95 | 20.10 | 15.30 | 23 | 400 | 373.07 | 167 | 80 | 118 | 32.50 | 25.10 | |
| 24 | 364 | 340.54 | 137 | 71 | 95 | 20.90 | 16.70 | 24 | 416 | 389.19 | 167 | 80 | 118 | 34.40 | 27.40 | |
| 25 | 379 | 354.65 | 137 | 71 | 95 | 24.10 | 18.10 | 25 | 433 | 405.32 | 167 | 80 | 118 | 36.60 | 29.70 | |
| 26 | 393 | 368.77 | 147 | 80 | 103 | 25.50 | 19.60 | 26 | 449 | 421.45 | 167 | 80 | 118 | 38.90 | 32.10 | |
| 27 | 407 | 382.88 | 147 | 80 | 103 | 28.20 | 21.60 | 28 | 481 | 453.72 | 167 | 80 | 118 | 45.50 | 47.30 | |
| 28 | 421 | 397 | 147 | 80 | 103 | 30.10 | 23.00 | 30 | 514 | 485.99 | 167 | 80 | 118 | 52.30 | 42.70 | |
| 30 | 450 | 425.24 | 147 | 80 | 103 | 31.50 | 26.00 | 32 | 546 | 518.28 | 167 | 80 | 118 | 59.00 | 48.70 | |
| 32 | 478 | 453.49 | 147 | 80 | 103 | 36.00 | 29.70 | 35 | 595 | 566.71 | 167 | 80 | 118 | 66.90 | 58.10 | |
| 35 | 521 | 495.88 | 157 | 90 | 110 | 42.90 | 35.60 | 38 | 644 | 615.17 | 167 | 80 | 118 | 76.40 | 68.50 | |
| 36 | 535 | 510.01 | 157 | 90 | 110 | 47.40 | 37.60 | 40 | 676 | 647.47 | 167 | 80 | 118 | 88.00 | 75.10 | |
| 38 | 563 | 538.27 | 157 | 90 | 110 | 51.00 | 41.90 | 42 | 708 | 679.78 | 167 | 80 | 118 | 91.20 | 83.60 | |
| 40 | 591 | 566.54 | 157 | 90 | 110 | 53.10 | 46.40 | 45 | 757 | 728.25 | 187 | 125 | 132 | 93.00 | 96.00 | |
| 42 | 620 | 594.81 | 157 | 90 | 110 | 60.00 | 51.10 | 48 | 806 | 776.72 | 187 | 125 | 132 | 101.00 | 109.00 | |
| 45 | 662 | 637.22 | 167 | 100 | 118 | 68.00 | 58.80 | 50 | 838 | 809.04 | 187 | 125 | 132 | 138.70 | 118.50 | |
| 48 | 705 | 679.63 | 167 | 100 | 118 | 75.00 | 66.90 | 54 | 903 | 873.68 | 187 | 125 | 132 | 158.40 | 138.20 | |
| 50 | 733 | 707.91 | 167 | 100 | 118 | 85.30 | 72.50 | 60 | 1000 | 970.65 | 187 | 125 | 132 | 190.80 | 170.00 | |
| 54 | 790 | 764.47 | 167 | 100 | 118 | 97.40 | 84.60 | |||||||||
| 60 | 875 | 849.32 | 167 | 112 | 118 | 119.30 | 104.00 | |||||||||


| 链轮排齿参数(美标、欧标) | |||||||||||||||
| 美标 | |||||||||||||||
| 链轮号 | 节距 | 滚子直径 | 齿节高 | 倒角高 | 倒角宽 | 弧半径 | 齿厚(1~4排) | 齿幅(2~3排) | 齿幅(4排) | 排距 | |||||
| SPROCKET NO: | pitch | Roller Dia | h | A | C | R | T1 | T2/T3 | T4 | B2 | B3 | B2 | B3 | B4 | Pt |
| 25 | 6.35 | 3.30 | 4.0 | 3.2 | 0.8 | 6.8 | 2.8 | 2.7 | 2.4 | 9.1 | 15.3 | 8.8 | 15.2 | 21.6 | 6.4 |
| 35 | 9.525 | 5.80 | 5.0 | 4.8 | 1.2 | 10.2 | 4.3 | 4.1 | 3.8 | 14.2 | 24.4 | 13.9 | 24 | 34.1 | 10.1 |
| 41 | 12.70 | 7.77 | 7.0 | 7.0 | 1.1 | 19.2 | 2.8 | 一 | 一 | 一 | 一 | 一 | 一 | 一 | 一 |
| 40 | 12.70 | 7.92 | 7.0 | 6.4 | 1.6 | 13.5 | 7.2 | 7.0 | 6.5 | 21.4 | 35.8 | 20.9 | 35.3 | 49.7 | 14.4 |
| 50 | 15.875 | 10.16 | 10.3 | 7.9 | 2.0 | 16.9 | 8.7 | 8.4 | 7.9 | 26.5 | 44.6 | 26 | 44.1 | 62.2 | 18.1 |
| 60 | 19.05 | 11.91 | 11.8 | 9.5 | 2.4 | 20.3 | 11.7 | 11.3 | 10.6 | 34.1 | 56.9 | 33.4 | 56.2 | 79.0 | 7.0 |
| 80 | 25.40 | 15.88 | 15.5 | 12.7 | 3.2 | 27.0 | 14.5 | 14.1 | 13.1 | 43.4 | 72.7 | 42.6 | 71.9 | 101.2 | 29.3 |
| 100 | 31.75 | 19.05 | 19.2 | 15.9 | 4.0 | 33.8 | 17.5 | 17.0 | 16.0 | 52.8 | 88.6 | 51.8 | 87.6 | 123.4 | 35.8 |
| 120 | 38.10 | 22.22 | 23.0 | 19.1 | 4.8 | 40.5 | 23.5 | 22.7 | 21.5 | 68.1 | 113.5 | 66.9 | 112.3 | 157.7 | 45.4 |
| 140 | 44.45 | 25.40 | 27.0 | 22.2 | 5.6 | 47.2 | 23.5 | 22.7 | 21.5 | 71.6 | 120.5 | 70.4 | 119.3 | 168.3 | 48.9 |
| 160 | 50.80 | 28.58 | 31.6 | 25.4 | 6.4 | 54.0 | 29.3 | 28.4 | 27.0 | 86.9 | 145.4 | 85.5 | 144 | 202.5 | 58.5 |
| 180 | 57.15 | 35.71 | 36.8 | 28.5 | 7.2 | 61.0 | 33.1 | 32.0 | 30.4 | 97.8 | 163.6 | 96.2 | 162 | 227.8 | 65.8 |
| 200 | 63.50 | 39.67 | 39.6 | 31.8 | 7.9 | 67.5 | 35.5 | 34.1 | 32.5 | 105.7 | 177.3 | 104.1 | 175.7 | 247.3 | 71.6 |
| 240 | 76.20 | 47.62 | 48.5 | 38.1 | 9.5 | 81.0 | 44.1 | 42.7 | 40.7 | 130.5 | 218.3 | 128.5 | 216.3 | 304.1 | 87.8 |
| 欧标(A、B系列链轮主要参数) | |||||||||||||||
| 链轮号 | 节距 | 滚子直径 | 齿节高 | 倒角高 | 倒角宽 | 弧半径 | 齿厚(1~4排) | 齿幅(2~4排) | 排距 | ||||||
| SPROCKET NO: | pitch | Roller Dia | h | A | C | R | T1 | T2/T3 | T4 | B2 | B3 | B4 | Pt | ||
| 4B | 6 | 4 | 4.1 | 3 | 0.6 | 6 | 2.6 | 2.5 | 2.4 | 一 | 一 | 一 | 一 | ||
| 5B | 8 | 5 | 5.3 | 4 | 0.8 | 8 | 2.8 | 2.7 | 2.6 | 8.3 | 13.9 | 19.4 | 5.6 | ||
| 6B | 9.525 | 6.35 | 6.2 | 4.8 | 1 | 10 | 5.3 | 5.2 | 5.0 | 15.4 | 25.6 | 35.6 | 10.2 | ||
| 8B | 12.70 | 8.51 | 8.4 | 6.4 | 1.3 | 13 | 7.2 | 7.0 | 6.8 | 21.0 | 34.9 | 48.5 | 13.9 | ||
| 10B | 15.88 | 10.16 | 10.2 | 7.9 | 1.6 | 16 | 9.1 | 9.0 | 9.0 | 25.6 | 42.2 | 58.8 | 16.6 | ||
| 12B | 19.05 | 12.07 | 11.2 | 9.5 | 2 | 19 | 11.1 | 10.8 | 10.9 | 30.4 | 49.9 | 69.4 | 19.5 | ||
| 16B | 25.40 | 15.88 | 14.6 | 12.7 | 2.5 | 26 | 16.2 | 15.8 | 15.8 | 47.7 | 79.6 | 111.5 | 30.9 | ||
| 20B | 31.75 | 19.05 | 18.0 | 15.9 | 3.5 | 32 | 18.5 | 18.2 | 18.2 | 54.6 | 91.0 | 127.5 | 36.5 | ||
| 24B | 38.10 | 25.40 | 22.4 | 19.1 | 4 | 38 | 24.1 | 23.6 | 23.6 | 72.0 | 120.3 | 168.7 | 48.4 | ||
| 28B | 44.45 | 27.94 | 24.9 | 22.2 | 5 | 44 | 29.4 | 28.8 | 28.8 | 88.4 | 148.0 | 207.6 | 59.6 | ||
| 32B | 50.80 | 29.21 | 28.2 | 25.4 | 6 | 51 | 29.4 | 28.8 | 28.8 | 87.4 | 146.0 | 204.6 | 58.6 | ||
| 40B | 63.50 | 39.37 | 34.9 | 31.8 | 8 | 64 | 36.2 | 35.4 | 35.4 | 107.7 | 180.0 | 252.3 | 72.3 | ||
| 48B | 76.20 | 48.26 | 41.8 | 38.1 | 9 | 76 | 43.3 | 42.5 | 42.5 | 133.7 | 224.9 | 316.1 | 91.2 | ||
| 56B | 88.90 | 53.98 | 50.2 | 44.5 | 11 | 89 | 50.7 | 49.6 | 49.6 | 156.2 | 262.8 | 369.4 | 106.6 | ||
| 64B | 101.60 | 63.50 | 57.8 | 50.8 | 13 | 102 | 57.9 | 56.7 | 56.7 | 176.6 | 296.5 | 416.4 | 119.9 | ||
| 72B | 114.30 | 72.39 | 66.0 | 57.2 | 15 | 114 | 65.2 | 63.8 | 63.8 | 200.1 | 336.4 | 472.7 | 136.3 | ||
链轮的安装要求:
1、根据规范精确选用传动链轮类型。
2、按精确方法将主、从动链轮设备到位,且拧紧紧固件使其到达规矩力矩恳求。
3、装上传动链条并调整好松紧度后,检查链条与链轮配合是不是顺利、共面,且与链罩无干与。
4、检查设备传动链轮的方位(变速器输出副轴、轮毂等)情况是不是杰出,否则须维修或更换有关件。
链轮使用过程中的注意事项:
1、从动链轮应有防松方法与措施。
2、链轮和链条最好一起更换,若只更换其中之一,会加剧两头的磨损。
3、要守时地清洗及光滑传动链条、传动链轮,以前进其运用寿命。
4、从动链轮装车后,应使用调节器和后摇架刻线将后轮轴调正,这么既可避免后轮跑偏,也能避免链轮与链条的早期磨损。
公司名称:上海迈动机电设备有限公司
公司地址:上海青浦工业区崧海路98号
邮政编码:201703
公司电话:021-54422420
公司传真:021-54422420-801
邮箱:shmidon@126.com
户名:上海迈动机电设备有限公司
税号:310112660703692
开户行:工行上海莘庄支行
账号:1001140209007024765
电话:021-54422420 54422402
传真:021-54422420-801
地址:上海莘庄工业园区申富路128号(开票)
地址:上海青浦工业园区崧海路98号(收货地址)
上海迈动机电设备有限公司提供17%的增值税发票;
品质100%保证,让你更放心使用。