86-021-54422420 13818829143
86-021-54422402 17701898099



链轮:带嵌齿式扣链齿的轮子,用以与节链环或缆索上节距准确的块体相啮合一种实心或带辐条的齿轮,与(滚子)链啮合以传递运动。
链轮的特性:可适合长时间大扭力下工作,传递性能稳定。易安装,好维护和方便润滑。
链轮的应用:被广泛应用于化工、纺织机械、食品加工、仪表仪器、石油等行业的机械传动等。
| 美标100系列链轮 | 美标120系列链轮 | |||||||||||||||
| 节距(Pitch)=31.75(mm) | 节距(Pitch)=38.1(mm) | |||||||||||||||
| 齿数Teeth | 外径O.D | 节径P.D | B型凸台Hub | 最大孔径 | 重量 W.t | 齿数Teeth | 外径O.D | 节径P.D | B型凸台Hub | 最大孔径 | 重量 W.t | |||||
| 毂径H | 轮厚L | Bore Max | B型. Kg | A型. Kg | 毂径H | 轮厚L | Bore Max | B型. Kg | A型. Kg | |||||||
| 9 | 106 | 92.84 | 62 | 50 | 40 | 1.60 | 0.92 | 9 | 127 | 111.4 | 70 | 56 | 46 | 2.70 | 1.70 | |
| 10 | 117 | 102.74 | 65 | 50 | 45 | 1.90 | 1.10 | 10 | 140 | 123.29 | 78 | 56 | 51 | 3.20 | 2.16 | |
| 11 | 127 | 112.7 | 75 | 50 | 51 | 2.30 | 1.30 | 11 | 153 | 135.24 | 91 | 56 | 60 | 4.00 | 2.60 | |
| 12 | 138 | 122.67 | 86 | 50 | 57 | 2.90 | 1.60 | 12 | 165 | 147.21 | 98 | 56 | 66 | 4.80 | 3.10 | |
| 13 | 148 | 132.67 | 94 | 50 | 63 | 3.10 | 1.90 | 13 | 177 | 159.2 | 98 | 56 | 66 | 5.30 | 3.60 | |
| 14 | 158 | 142.68 | 98 | 50 | 66 | 3.60 | 2.15 | 14 | 190 | 171.22 | 107 | 56 | 75 | 6.30 | 4.20 | |
| 15 | 168 | 152.71 | 98 | 50 | 66 | 4.20 | 2.50 | 15 | 202 | 183.25 | 117 | 63 | 80 | 7.80 | 4.80 | |
| 16 | 179 | 162.74 | 98 | 50 | 66 | 4.60 | 2.83 | 16 | 214 | 195.29 | 117 | 63 | 80 | 8.40 | 5.50 | |
| 17 | 189 | 172.79 | 107 | 50 | 75 | 5.30 | 3.20 | 17 | 227 | 207.35 | 117 | 63 | 80 | 9.10 | 6.20 | |
| 18 | 199 | 182.84 | 107 | 50 | 75 | 5.70 | 3.60 | 18 | 239 | 219.41 | 117 | 63 | 80 | 9.90 | 6.95 | |
| 19 | 209 | 192.9 | 107 | 50 | 75 | 6.10 | 4.00 | 19 | 251 | 231.48 | 117 | 63 | 80 | 10.70 | 7.70 | |
| 20 | 220 | 202.96 | 107 | 50 | 75 | 6.50 | 4.40 | 20 | 263 | 243.55 | 127 | 63 | 89 | 12.10 | 8.55 | |
| 21 | 230 | 213.03 | 107 | 50 | 75 | 7.00 | 4.90 | 21 | 276 | 255.63 | 127 | 63 | 89 | 13.00 | 9.40 | |
| 22 | 240 | 223.1 | 117 | 56 | 80 | 7.90 | 5.35 | 22 | 288 | 267.72 | 127 | 63 | 89 | 13.40 | 10.30 | |
| 23 | 250 | 233.17 | 117 | 56 | 80 | 8.50 | 5.80 | 23 | 300 | 279.8 | 127 | 63 | 89 | 14.50 | 11.30 | |
| 24 | 260 | 243.25 | 117 | 56 | 80 | 8.80 | 6.40 | 24 | 312 | 291.9 | 127 | 63 | 89 | 15.20 | 12.30 | |
| 25 | 270 | 253.32 | 117 | 56 | 80 | 9.30 | 6.90 | 25 | 324 | 303.99 | 127 | 63 | 89 | 16.20 | 13.30 | |
| 26 | 281 | 263.4 | 117 | 56 | 80 | 9.80 | 7.50 | 26 | 337 | 316.09 | 127 | 63 | 89 | 17.20 | 14.40 | |
| 27 | 291 | 273.49 | 117 | 56 | 80 | 10.30 | 8.10 | 27 | 349 | 328.19 | 127 | 63 | 89 | 18.50 | 15.50 | |
| 28 | 301 | 283.57 | 117 | 56 | 80 | 10.90 | 8.70 | 28 | 361 | 340.29 | 137 | 71 | 95 | 20.90 | 16.70 | |
| 29 | 311 | 293.66 | 117 | 56 | 80 | 11.50 | 9.30 | 29 | 373 | 352.39 | 137 | 71 | 95 | 22.70 | 17.80 | |
| 30 | 321 | 303.75 | 117 | 56 | 80 | 12.10 | 10.00 | 30 | 385 | 364.5 | 137 | 71 | 95 | 23.20 | 19.20 | |
| 31 | 331 | 313.83 | 117 | 56 | 80 | 12.60 | 10.65 | 31 | 398 | 376.6 | 137 | 71 | 95 | 24.40 | 20.40 | |
| 32 | 341 | 323.92 | 117 | 56 | 80 | 13.40 | 11.35 | 32 | 410 | 388.71 | 137 | 71 | 95 | 25.70 | 21.80 | |
| 33 | 352 | 334.01 | 117 | 56 | 80 | 14.50 | 12.00 | 33 | 422 | 400.82 | 137 | 71 | 95 | 28.40 | 23.20 | |
| 34 | 362 | 344.11 | 117 | 56 | 80 | 16.10 | 12.80 | 34 | 434 | 412.93 | 137 | 71 | 95 | 29.00 | 24.60 | |
| 35 | 372 | 354.2 | 127 | 63 | 89 | 16.60 | 13.50 | 35 | 446 | 425.04 | 137 | 71 | 95 | 29.70 | 26.10 | |
| 36 | 382 | 364.29 | 127 | 63 | 89 | 17.50 | 14.40 | 36 | 458 | 437.15 | 137 | 71 | 95 | 32.00 | 27.60 | |
| 37 | 392 | 374.38 | 127 | 63 | 89 | 18.00 | 15.10 | 38 | 483 | 461.38 | 137 | 71 | 95 | 35.00 | 30.80 | |
| 38 | 402 | 384.48 | 127 | 63 | 89 | 18.90 | 16.00 | 40 | 507 | 485.6 | 147 | 80 | 103 | 38.20 | 34.10 | |
| 39 | 412 | 394.57 | 127 | 63 | 89 | 19.30 | 16.80 | 42 | 531 | 509.84 | 147 | 80 | 103 | 42.00 | 37.60 | |
| 40 | 422 | 404.67 | 127 | 63 | 89 | 20.40 | 17.70 | 44 | 556 | 534.07 | 147 | 80 | 103 | 46.30 | 41.20 | |
| 41 | 433 | 414.77 | 127 | 63 | 89 | 21.50 | 18.60 | 45 | 568 | 546.19 | 147 | 80 | 103 | 47.60 | 43.10 | |
| 42 | 443 | 424.86 | 127 | 63 | 89 | 22.60 | 19.50 | 46 | 580 | 558.3 | 147 | 80 | 103 | 50.10 | 45.10 | |
| 43 | 453 | 434.96 | 127 | 63 | 89 | 23.40 | 20.50 | 48 | 604 | 582.54 | 147 | 80 | 103 | 53.00 | 49.00 | |
| 44 | 463 | 445.06 | 127 | 63 | 89 | 23.90 | 21.45 | 50 | 628 | 606.78 | 147 | 80 | 103 | 58.00 | 53.30 | |
| 45 | 473 | 455.16 | 127 | 63 | 89 | 24.70 | 22.40 | 54 | 677 | 655.26 | 147 | 100 | 103 | 65.20 | 62.10 | |
| 46 | 483 | 465.25 | 127 | 63 | 89 | 25.80 | 23.40 | 60 | 750 | 727.99 | 167 | 100 | 103 | 78.00 | 76.70 | |
| 47 | 493 | 475.35 | 127 | 63 | 89 | 26.70 | 24.50 | 63 | 786 | 764.35 | 167 | 100 | 105 | 90.30 | 84.50 | |
| 48 | 503 | 485.45 | 127 | 63 | 89 | 27.50 | 25.50 | 70 | 871 | 849.22 | 167 | 100 | 105 | 112.00 | 104.30 | |
| 50 | 524 | 505.65 | 127 | 63 | 89 | 30.00 | 27.70 | 75 | 932 | 909.84 | 167 | 100 | 105 | 133.00 | 119.80 | |
| 52 | 544 | 525.85 | 127 | 63 | 89 | 34.50 | 29.90 | 80 | 993 | 970.46 | 167 | 100 | 105 | 157.60 | 136.30 | |
| 54 | 564 | 546.05 | 147 | 80 | 103 | 37.40 | 32.30 | |||||||||
| 55 | 574 | 556.15 | 147 | 80 | 103 | 41.60 | 36.30 | |||||||||
| 60 | 625 | 606.66 | 147 | 80 | 103 | 44.30 | 39.90 | |||||||||
| 65 | 675 | 657.17 | 147 | 80 | 103 | 54.50 | 46.80 | |||||||||
| 70 | 726 | 707.68 | 147 | 100 | 103 | 64.70 | 54.30 | |||||||||
| 75 | 777 | 758.2 | 147 | 100 | 103 | 72.70 | 62.30 | |||||||||
| 80 | 827 | 808.71 | 167 | 100 | 105 | 86.40 | 70.90 | |||||||||
| 90 | 928 | 909.75 | 167 | 100 | 105 | 97.60 | 88.70 | |||||||||


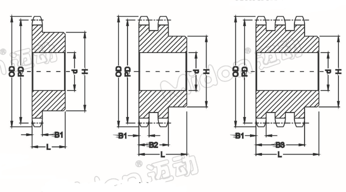
| 链轮排齿参数(美标、欧标) | |||||||||||||||
| 美标 | |||||||||||||||
| 链轮号 | 节距 | 滚子直径 | 齿节高 | 倒角高 | 倒角宽 | 弧半径 | 齿厚(1~4排) | 齿幅(2~3排) | 齿幅(4排) | 排距 | |||||
| SPROCKET NO: | pitch | Roller Dia | h | A | C | R | T1 | T2/T3 | T4 | B2 | B3 | B2 | B3 | B4 | Pt |
| 25 | 6.35 | 3.30 | 4.0 | 3.2 | 0.8 | 6.8 | 2.8 | 2.7 | 2.4 | 9.1 | 15.3 | 8.8 | 15.2 | 21.6 | 6.4 |
| 35 | 9.525 | 5.80 | 5.0 | 4.8 | 1.2 | 10.2 | 4.3 | 4.1 | 3.8 | 14.2 | 24.4 | 13.9 | 24 | 34.1 | 10.1 |
| 41 | 12.70 | 7.77 | 7.0 | 7.0 | 1.1 | 19.2 | 2.8 | 一 | 一 | 一 | 一 | 一 | 一 | 一 | 一 |
| 40 | 12.70 | 7.92 | 7.0 | 6.4 | 1.6 | 13.5 | 7.2 | 7.0 | 6.5 | 21.4 | 35.8 | 20.9 | 35.3 | 49.7 | 14.4 |
| 50 | 15.875 | 10.16 | 10.3 | 7.9 | 2.0 | 16.9 | 8.7 | 8.4 | 7.9 | 26.5 | 44.6 | 26 | 44.1 | 62.2 | 18.1 |
| 60 | 19.05 | 11.91 | 11.8 | 9.5 | 2.4 | 20.3 | 11.7 | 11.3 | 10.6 | 34.1 | 56.9 | 33.4 | 56.2 | 79.0 | 7.0 |
| 80 | 25.40 | 15.88 | 15.5 | 12.7 | 3.2 | 27.0 | 14.5 | 14.1 | 13.1 | 43.4 | 72.7 | 42.6 | 71.9 | 101.2 | 29.3 |
| 100 | 31.75 | 19.05 | 19.2 | 15.9 | 4.0 | 33.8 | 17.5 | 17.0 | 16.0 | 52.8 | 88.6 | 51.8 | 87.6 | 123.4 | 35.8 |
| 120 | 38.10 | 22.22 | 23.0 | 19.1 | 4.8 | 40.5 | 23.5 | 22.7 | 21.5 | 68.1 | 113.5 | 66.9 | 112.3 | 157.7 | 45.4 |
| 140 | 44.45 | 25.40 | 27.0 | 22.2 | 5.6 | 47.2 | 23.5 | 22.7 | 21.5 | 71.6 | 120.5 | 70.4 | 119.3 | 168.3 | 48.9 |
| 160 | 50.80 | 28.58 | 31.6 | 25.4 | 6.4 | 54.0 | 29.3 | 28.4 | 27.0 | 86.9 | 145.4 | 85.5 | 144 | 202.5 | 58.5 |
| 180 | 57.15 | 35.71 | 36.8 | 28.5 | 7.2 | 61.0 | 33.1 | 32.0 | 30.4 | 97.8 | 163.6 | 96.2 | 162 | 227.8 | 65.8 |
| 200 | 63.50 | 39.67 | 39.6 | 31.8 | 7.9 | 67.5 | 35.5 | 34.1 | 32.5 | 105.7 | 177.3 | 104.1 | 175.7 | 247.3 | 71.6 |
| 240 | 76.20 | 47.62 | 48.5 | 38.1 | 9.5 | 81.0 | 44.1 | 42.7 | 40.7 | 130.5 | 218.3 | 128.5 | 216.3 | 304.1 | 87.8 |
| 欧标(A、B系列链轮主要参数) | |||||||||||||||
| 链轮号 | 节距 | 滚子直径 | 齿节高 | 倒角高 | 倒角宽 | 弧半径 | 齿厚(1~4排) | 齿幅(2~4排) | 排距 | ||||||
| SPROCKET NO: | pitch | Roller Dia | h | A | C | R | T1 | T2/T3 | T4 | B2 | B3 | B4 | Pt | ||
| 4B | 6 | 4 | 4.1 | 3 | 0.6 | 6 | 2.6 | 2.5 | 2.4 | 一 | 一 | 一 | 一 | ||
| 5B | 8 | 5 | 5.3 | 4 | 0.8 | 8 | 2.8 | 2.7 | 2.6 | 8.3 | 13.9 | 19.4 | 5.6 | ||
| 6B | 9.525 | 6.35 | 6.2 | 4.8 | 1 | 10 | 5.3 | 5.2 | 5.0 | 15.4 | 25.6 | 35.6 | 10.2 | ||
| 8B | 12.70 | 8.51 | 8.4 | 6.4 | 1.3 | 13 | 7.2 | 7.0 | 6.8 | 21.0 | 34.9 | 48.5 | 13.9 | ||
| 10B | 15.88 | 10.16 | 10.2 | 7.9 | 1.6 | 16 | 9.1 | 9.0 | 9.0 | 25.6 | 42.2 | 58.8 | 16.6 | ||
| 12B | 19.05 | 12.07 | 11.2 | 9.5 | 2 | 19 | 11.1 | 10.8 | 10.9 | 30.4 | 49.9 | 69.4 | 19.5 | ||
| 16B | 25.40 | 15.88 | 14.6 | 12.7 | 2.5 | 26 | 16.2 | 15.8 | 15.8 | 47.7 | 79.6 | 111.5 | 30.9 | ||
| 20B | 31.75 | 19.05 | 18.0 | 15.9 | 3.5 | 32 | 18.5 | 18.2 | 18.2 | 54.6 | 91.0 | 127.5 | 36.5 | ||
| 24B | 38.10 | 25.40 | 22.4 | 19.1 | 4 | 38 | 24.1 | 23.6 | 23.6 | 72.0 | 120.3 | 168.7 | 48.4 | ||
| 28B | 44.45 | 27.94 | 24.9 | 22.2 | 5 | 44 | 29.4 | 28.8 | 28.8 | 88.4 | 148.0 | 207.6 | 59.6 | ||
| 32B | 50.80 | 29.21 | 28.2 | 25.4 | 6 | 51 | 29.4 | 28.8 | 28.8 | 87.4 | 146.0 | 204.6 | 58.6 | ||
| 40B | 63.50 | 39.37 | 34.9 | 31.8 | 8 | 64 | 36.2 | 35.4 | 35.4 | 107.7 | 180.0 | 252.3 | 72.3 | ||
| 48B | 76.20 | 48.26 | 41.8 | 38.1 | 9 | 76 | 43.3 | 42.5 | 42.5 | 133.7 | 224.9 | 316.1 | 91.2 | ||
| 56B | 88.90 | 53.98 | 50.2 | 44.5 | 11 | 89 | 50.7 | 49.6 | 49.6 | 156.2 | 262.8 | 369.4 | 106.6 | ||
| 64B | 101.60 | 63.50 | 57.8 | 50.8 | 13 | 102 | 57.9 | 56.7 | 56.7 | 176.6 | 296.5 | 416.4 | 119.9 | ||
| 72B | 114.30 | 72.39 | 66.0 | 57.2 | 15 | 114 | 65.2 | 63.8 | 63.8 | 200.1 | 336.4 | 472.7 | 136.3 | ||
链轮的安装要求:
1、根据规范精确选用传动链轮类型。
2、按精确方法将主、从动链轮设备到位,且拧紧紧固件使其到达规矩力矩恳求。
3、装上传动链条并调整好松紧度后,检查链条与链轮配合是不是顺利、共面,且与链罩无干与。
4、检查设备传动链轮的方位(变速器输出副轴、轮毂等)情况是不是杰出,否则须维修或更换有关件。
链轮使用过程中的注意事项:
1、从动链轮应有防松方法与措施。
2、链轮和链条最好一起更换,若只更换其中之一,会加剧两头的磨损。
3、要守时地清洗及光滑传动链条、传动链轮,以前进其运用寿命。
4、从动链轮装车后,应使用调节器和后摇架刻线将后轮轴调正,这么既可避免后轮跑偏,也能避免链轮与链条的早期磨损。
公司名称:上海迈动机电设备有限公司
公司地址:上海青浦工业区崧海路98号
邮政编码:201703
公司电话:021-54422420
公司传真:021-54422420-801
邮箱:shmidon@126.com
户名:上海迈动机电设备有限公司
税号:310112660703692
开户行:工行上海莘庄支行
账号:1001140209007024765
电话:021-54422420 54422402
传真:021-54422420-801
地址:上海莘庄工业园区申富路128号(开票)
地址:上海青浦工业园区崧海路98号(收货地址)
上海迈动机电设备有限公司提供17%的增值税发票;
品质100%保证,让你更放心使用。